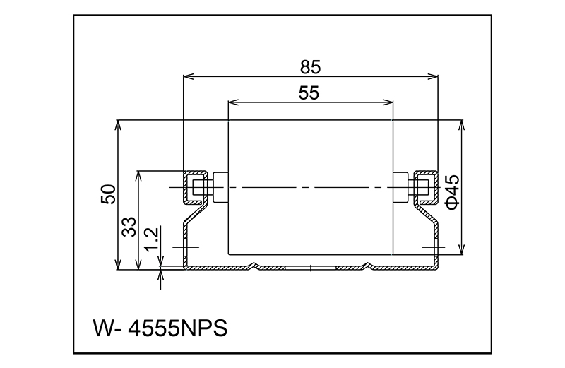
W-4555nps
Cat:Galvanized frame rotam TRADUCTOR
Genus D * w * d * b Hastulus ARGUMENTUM ...
Et rota TRADUCTOR, etiam notum est Rollerus Guide Rail aut cylindro Slideway, est altus efficiens instrumentum usus ad materiam tractantem et automation productio lineae. Est typically composito de scutulis et uncis. Hi scutulis Support et Libri Onera enim lenis motus in certa direction.

Genus D * w * d * b Hastulus ARGUMENTUM ...
| Genus | D * w * d * b | Hastulus | ARGUMENTUM H * W1 * W2 * W3 * T | Altitudo H | Longitudo L | Rotam picem P | Una rotam loading (KG) | Type frame | Collius maternus |
| W-4555nps | XLV × LV × V | V × 80l | XXXIII × LXXXV × 1-2 | 50 | M m · · MMM MMM | 50 | 60 | Electro galvanized | Pe |

Genus D * w * d * b Hastulus ARGUMENTUM ...
| Genus | D * w * d * b | Hastulus | ARGUMENTUM H * W1 * W2 * W3 * T | Altitudo H | Longitudo L | Rotam picem P | Una rotam loading (KG) | Type frame | Collius maternus |
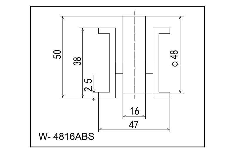
| W-481616ABs | XLVIII × XVI × VI | VI × 35L | XXXVIII × XLVII × 2.5 | 55 | M m · · MMM MMM | XLV · L · LXXV · C | 10 | Electro galvanized | Afferentem Package Abs |

Genus D * w * d * b Hastulus ARGUMENTUM ...
| Genus | D * w * d * b | Hastulus | ARGUMENTUM H * W1 * W2 * W3 * T | Altitudo H | Longitudo L | Rotam picem P | Una rotam loading (KG) | Type frame | Collius maternus |
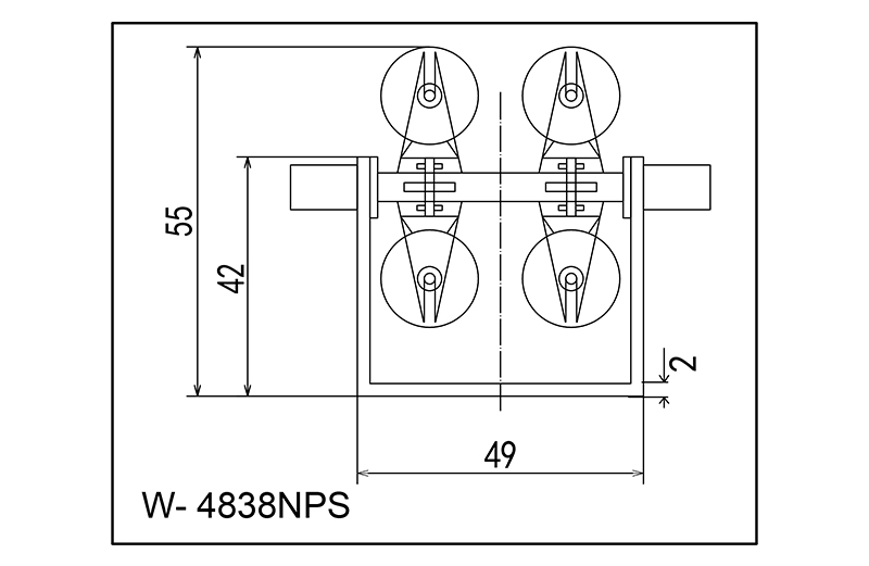
| W-4838nps | XLVIII × XXXVIII × X | X × 60l | XLII × × × II | 55 | M m · · MMM MMM | L LXXV · C · | 10 | Frigus advolvit laminam | Polyoxymethylene |

Genus D * w * d * b Hastulus ARGUMENTUM ...
| Genus | D * w * d * b | Hastulus | ARGUMENTUM H * W1 * W2 * W3 * T | Altitudo H | Longitudo L | Rotam picem P | Una rotam loading (KG) | Type frame | Collius maternus |
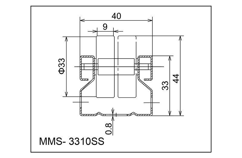
| MMS, 3310ss | XXXIII × IX × V × 21,5 (25.5) | 385 × 38l | XXXIII × XL × 0.8 | 44 | M m · · MMM MMM | 22.5 staggereredtype | 6 | Electro galvanized | Pe |

Genus D * w * d * b Hastulus ARGUMENTUM ...
| Genus | D * w * d * b | Hastulus | ARGUMENTUM H * W1 * W2 * W3 * T | Altitudo H | Longitudo L | Rotam picem P | Una rotam loading (KG) | Type frame | Collius maternus |
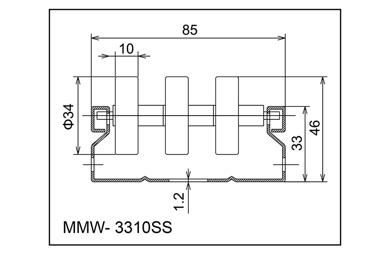
| MMW, 3310ss | XXXIII × X × V × 21,5 (LXVIII) | V × 82L | XXXIII × LXXXV × 1-2 | 46 | M m · · MMM MMM | XXV Type Sterngerer | 10 | Electro galvanized | Pe |

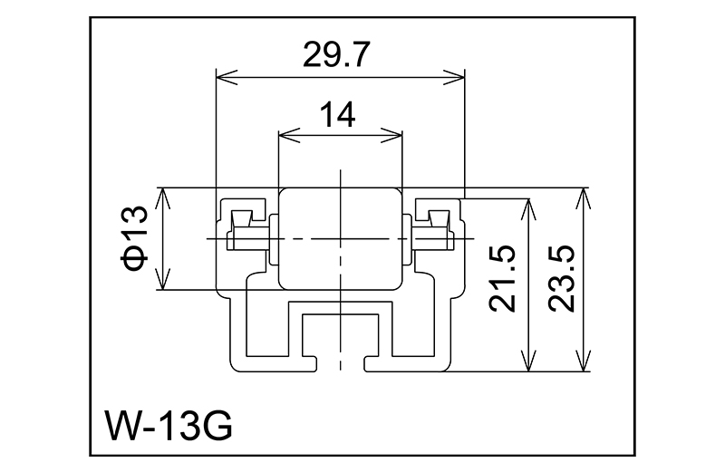
Genus Rollerus Location D * w * d * b Hastulus ...
| Genus | Rollerus Location D * w * d * b | Hastulus | ARGUMENTUM hxwxt | Altitudo H | Lengh L | Rotam picem P | Una rotam loading (KG) | Rollerus Material |
| W-13g | XIII × XIV × 2.5 | 2.5 × 26L | XXII / XIV × XXX / LXX | XVI · XXIV | M ~ MM | XV · XXX · XLV | 4 | Abs |

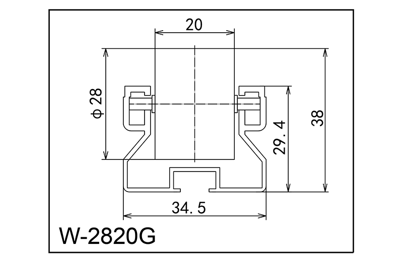
Genus Rollerus Location D * w * d * b Hastulus ...
| Genus | Rollerus Location D * w * d * b | Hastulus | ARGUMENTUM hxwxt | Altitudo H | Lengh L | Rotam picem P | Una rotam loading (KG) | Rollerus Material |
| W, 2820g | XXVIII × XX × III | III × 33L | XXV × XXXV | 38 | M ~ MMM | XXX · XLV LX · LX | 10 | Abs |

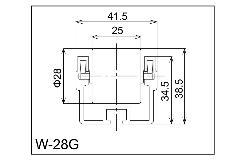
Genus Rollerus Location D * w * d * b Hastulus ...
| Genus | Rollerus Location D * w * d * b | Hastulus | ARGUMENTUM hxwxt | Altitudo H | Lengh L | Rotam picem P | Una rotam loading (KG) | Rollerus Material |
| W-28G | XXVIII × XXV × III | III × 37L | XXXV × XLII | 43.5 · 42.5 | M ~ MMM | XXX · XLV LX · LX | 10 | Abs |

Genus Rollerus Location D * w * d * b Hastulus ...
| Genus | Rollerus Location D * w * d * b | Hastulus | ARGUMENTUM hxwxt | Altitudo H | Lengh L | Rotam picem P | Una rotam loading (KG) | Rollerus Material |
| W-30g | XXX × XLIV × 3.4 | 3,4 × 55L | XXXV × LX | 42 | M ~ MMM | 36 | 10 | Abs |

Genus Rollerus Location D * w * d * b Hastulus ...
| Genus | Rollerus Location D * w * d * b | Hastulus | ARGUMENTUM hxwxt | Altitudo H | Lengh L | Rotam picem P | Una rotam loading (KG) | Rollerus Material |
| W-32g | XXXII × XVI × IV | IV × 30.8L | 36.5 × XXXIV | 41 | M ~ MMM | L LXXV · C · | 5 | Abs |

Genus Rollerus Location D * w * d * b Hastulus ...
| Genus | Rollerus Location D * w * d * b | Hastulus | ARGUMENTUM hxwxt | Altitudo H | Lengh L | Rotam picem P | Una rotam loading (KG) | Rollerus Material |
| W-3222g | XXXII × XXII × 3.4 | 35L × 3,4 | XXXV × XXXVIII | 44 | M ~ MMM | 41 | 10 | Abs |

Genus Rollerus Location D * w * d * b Hastulus ...
| Genus | Rollerus Location D * w * d * b | Hastulus | ARGUMENTUM hxwxt | Altitudo H | Lengh L | Rotam picem P | Una rotam loading (KG) | Rollerus Material |
| W, 33G | XXXIII × XXIV x 3.4 | 35L × 3,4 | XXXV × XL | 42.5 | M ~ MMM | 39 | 4 | Abs |
Cur Rollerus Conveyor Sustentationem Directe Impacts Ratio Lifespan TRADUCTOR Rollerus systemata recentiorum ma...
Read MoreWhat makes a Roller Conveyor Vere Gravis-Duty? TRADUCTOR gravis officiorum cylindrus non per venditiones mercaturae defi...
Read MoreWhat Are Roller Conveyors and Why Does the Type Matter? cylindro conveyors systemata tractantia materialia sunt...
Read MoreCur Rollerus Conveyors spinam Materiae tractantem manete cylindro conveyors meliorem efficientiam in modernis s...
Read MoreConveyor systemata decies centena millia talentorum materialium quotidie per officinas, horrea, fodienda loca, et dis...
Read MoreSustentationem et cura tips pro Rota TRADUCTOR
Per longa-term operatio, ut cumulare pulmento, oleum, et alia obstantia, quae non tantum auget frictio sed etiam causa gerunt in Rollers et vestigia. Igitur cotidiana Purgato debet includit usura aere pressura vel specialis instrumenta ad removendum obstantia de cylindro superficiem ad curare lenis contactus inter cylindro et track. Praesertim cum productio lineae cum glutinosus materiae vel in pulvere ferendum, purgatio frequency augeri. In addition, regularly reprehendo conditione et scutulis et scutulis ut non deformis vel laesis est momenti gradum in prohibendo defectis.
Rollers et uncis erit generare friction in operationem. Long-terminus indigentiam propriis lubrication et faciam nimia gerunt et etiam jamming de partibus. Eligendo ius lubricant et lubricating id regulariter secundum ad frequency usum potest efficaciter reducere ad gere mechanica partes et custodire apparatu currit blande. Plerumque in lubricatae scutulis et gestus debet sedatus singulis mensibus ut quisque rotating pars plene lubined. In addition, propriis lubricatae non solum redigendum gerunt sed etiam ad redigendum sonitus per apparatu operationem, creando a quieter working environment.
Reprehendo onus de TRADUCTOR frequenter ut operatur intra rated onus range. ONERO ut faciam damnum vel deformatio de scutulis vel etiam causa magis gravi defectis. Ergo necessarium regulariter reprehendo se transmissio ratio ut sit in normalis operationem condicionem non solutam et non producit abnormes sonitus. Nam et systems, quae saepe portare gravibus obiecta, est valde maximus ut regulariter reprehendo et reponere clavis components ut transmissione vincula, scutulis et balteos.
In Wuxi Huiqian logistics Machinery Vestibulum Co., Ltd., intelligimus momentum summus qualitas apparatu in maintaining efficient et certa res. Statutum per integrationem provectus Iaponica technology et peritia nostra turba specialitas in productio et Sales scutulis, cylindro conveyors, balteum conveyors, repono caveis, logistics trollleys, mini conveyors, tabulas et vadis, mini, tabulas, et vadis. Sita in Wuxi National Hi-Tech Technology Development District nostri facilitas est instructa cum robust qualitas administratione ratio, peritus workforce et statum-of-arte dispensando apparatu.
Nostra Rota TRADUCTOR , In particulari, quae disposito cum provectus technology et fabricari per altus-qualitas rudis materiae sub stricte qualis imperium. Hae non solum preparare exceptionali bene in onus facultatem sed etiam optimize contactus inter scutulatores et vestigia, cursus materiam stabilitatem in importans processus dum reducing gerunt et industria consummatio. Per cogitantem productum consilio et precise processus imperium, nostrae TRADITIO diu term stabilis operatio etiam in dura operantes environments, minimizing sustentacionem frequency et minuam operating costs in negotiis frequency et minuam operating sumptibus pro negotio frequency et minimis costs in negotiis frequency et minuam operating costs pro negotiis frequency et minuam operating costs in negotiis frequency et minuam operating costs pro negotio frequency et minuam operating sumptibus pro negotiis frequency et minuam operating costs for elit.
SCRIPTIO Rota TRADUCTOR cottidie
Multi homines non animadverto ut omni tempore sunt tabernam, bona sunt ab horreis ad crusta vel etiam directe ad checkout calculis, quae non potest separari a subsidium TRADUCTOR systems. In supermarkets, shopping malls, et distribution centers, magna numerus rotae TRADUCTIONors sunt quiete operating, auxilium virgam efficiently onerariis bonis designari locis per volvens vestigia. Hi rotam non solum significantly improue efficientiam sed etiam reducere labore intensionem manual pertractatio, minimizing potential errores et damna. Eodem tempore consilio extollere stabilitatem et diuturnitatem, enabling eos operari efficiently in occupatus operantes ferendum ut bona quae shelved et circuitu opportune modo.
Similia applications potest etiam in vestibulum, warehousing et voluptua centra. Praesertim in modern logistics systems, rota conveyors sunt indispensabilis component. Et curant lenis logistics processus per portandum et guiding copiosa parceles, partes et bona. In his agris, rota preme tractamus variis onerat, ex parvis parcellationibus ad gravibus bona, quae possunt transferri aequaliter per praecisionem-machinatoriam systems. Praecipue per apicem feriatum tempus vel Quisque periods, Cydra et logistics centers graviter confidunt in rota conveyors. Eorum agentibus bona influunt facultatem efficaciter prohibet translationem mora.
In Wuxi Huiqian logistics Machinery Vestibulum Co., Ltd., nos superbus est contribuere ad haec essentialis logistics operationes. Statutum per integrationem provectus Iaponica technology et peritia nostra societas specialitas in productio et Sales summus qualis Rollers, cylindro conveyors, balteum conveyors, repono caveis, logistics trolleys, mini conveyors, tabulas et crusta. Ex Wuxi National Hi-Tech Technology Development District, nostra facilitas est instructa cum robust quality administratione ratio, peritus workforce, et provectus processui apparatu, cursus qualis et perficientur.
Rotae TRADUCTOR in particulari, showcase magni commoda cotidiana application missionibus. Fabrica per provecta technology et premium cylindro materiae, possunt tractare materiae de variis ponderum et figuris dum operating stabiliter in universa environments. Sive commercial retail abigit summus frequency operationes vel warhousing et logistics agro postulat celeritas et praecisione, rotam nostram rotam providere efficiente, lenis, et reliable materia translationem solutions. Per innovative Design et rigorous qualis imperium, nostrum products Support Businesses in Achieving Seamless logistics operationes, reducendo costs et boosting productivity.
Et cum opus futurum.
No.60, Zhenhu via, Hudai oppidum, Binhu District, Wuxi (CCXIV) C, Sina