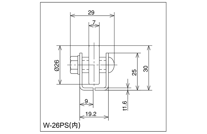
W-26Ps (Within)
Cat:Resin rotam TRADUCTOR
Genus Rollerus Location D * w * d * b Hastulus ...
Advanced structuram, summus qualitas perficientur, facile ad usum, princeps reliability et diuturnitatem.

Genus Rollerus Location D * w * d * b Hastulus ...
| Genus | Rollerus Location D * w * d * b | Hastulus | ARGUMENTUM h × W1 × W2 × W3 × T | Altitudo H | Lengh L | Rotam picem P | Una rotam loading (KG) | Rollerus Material |
| W-26Ps (Within) | XXVI × VIII × VI × XVI | M6 × 25L | XXV × 19.2 × × XXIX × 1,6 | 30 | M MD MD · · MM | XXX · XXXV | 30 | Pom |

Genus Rollerus Location D * w * d * b Hastulus ...
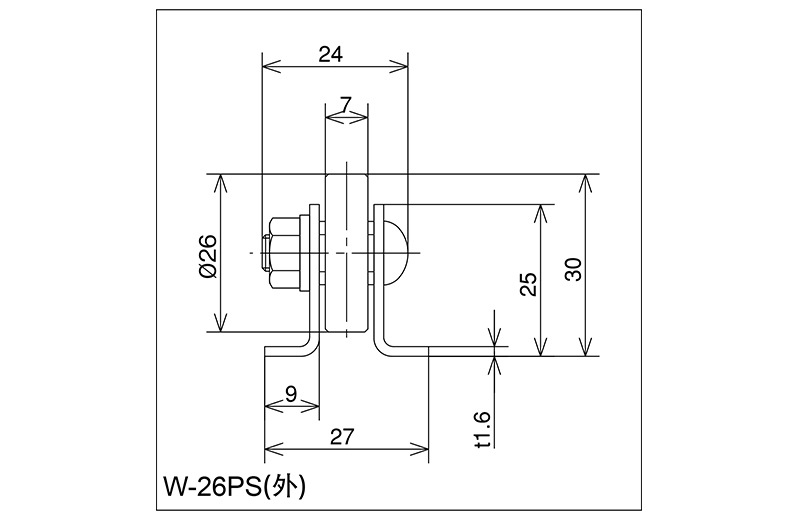
| Genus | Rollerus Location D * w * d * b | Hastulus | ARGUMENTUM h × W1 × W2 × W3 × T | Altitudo H | Lengh L | Rotam picem P | Una rotam loading (KG) | Rollerus Material |
| W-26Ps (foris) | XXVI × VIII × VI × | M6 × 20L | XXV × XXVIII × IX × XXIV × 1.6 | 30 | M MD MD · · MM | XXX · XXXV | 30 | Pom |

Genus Rollerus Location D * w * d * b Hastulus ...
| Genus | Rollerus Location D * w * d * b | Hastulus | ARGUMENTUM h × W1 × W2 × W3 × T | Altitudo H | Lengh L | Rotam picem P | Una rotam loading (KG) | Rollerus Material |
| W-38gs | XXXVIII × XII × VI × XXVII | M6 × 38L | XLV × 32,6 × X × XLII × 2.3 | 52 | MDCCC MMCD · MMM | L LXXV · C · CL | 30 | Pom |

Genus Rollerus Location D * w * d * b Hastulus ...
| Genus | Rollerus Location D * w * d * b | Hastulus | ARGUMENTUM h × W1 × W2 × W3 × T | Altitudo H | Lengh L | Rotam picem P | Una rotam loading (KG) | Rollerus Material |
| Wb-36ps | XXXVI × IX × VIII × XXVIII | M8 × 40L | × LX × LX × 42.3 × LX 1.6 2.3 | 49.3 | MDCCC MMCD · MMM | L LXXV · C · | 10 | Pom |

Genus Rollerus Location D * w * d * b Hastulus ...
| Genus | Rollerus Location D * w * d * b | Hastulus | ARGUMENTUM h × W1 × W2 × W3 × T | Altitudo H | Lengh L | Rotam picem P | Una rotam loading (KG) | Rollerus Material |
| Sw-38gs | XXXVIII × XII × VI × XXVII | M6 × 38L | XLV × XXXI × 8.5 × XLII × 1.8 | 53 | MDCCC MMCD · MMM | L LXXV · C · CL | 30 | Pom |

Genus Rollerus Location D * w * d * b Hastulus ...
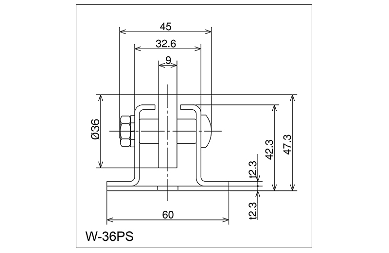
| Genus | Rollerus Location D * w * d * b | Hastulus | ARGUMENTUM h × W1 × W2 × W3 × T | Altitudo H | Lengh L | Rotam picem P | Una rotam loading (KG) | Rollerus Material |
| W-36ps | XXXVI × IX × VIII × XXVIII | M8 × 40L | 42.3 × LX × 32,6 × XLV × 2.3 | 47.3 | MDCCC MMCD · MMM | L LXXV · C · CL | 10 | Pom |

Genus Rollerus Location D * w * d * b Hastulus ...
| Genus | Rollerus Location D * w * d * b | Hastulus | ARGUMENTUM h × W1 × W2 × W3 × T | Altitudo H | Lengh L | Rotam picem P | Una rotam loading (KG) | Rollerus Material |
| W-36pw | XXXVI × IX × VIII × XIV | M8 × 55L | × LX × 46.3 × LX LX 1.6 2.3 | 52.3 | MDCCC MMCD · MMM | L LXXV · C · CL | 10 | Pom |
| W-45uw | XLV × XVI x VIII × XXII | M8 × 65L | 46.3 × LX × XXXIII × LXXXVII × 1.6 2.3 | 56.8 | MDCCC MMCD · MMM | L LXXV · C · CL | 25 | Abs |

Genus Rollerus Location D * w * d * b Hastulus ...
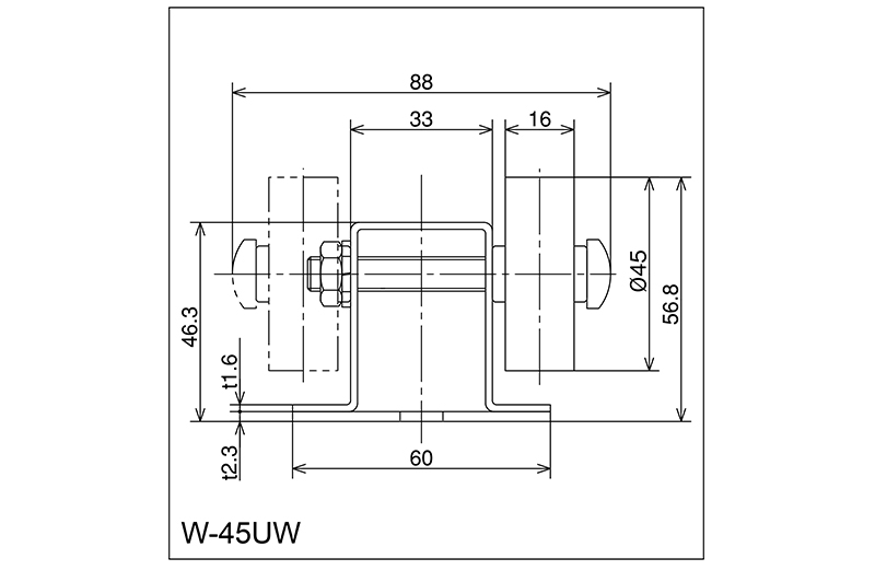
| Genus | Rollerus Location D * w * d * b | Hastulus | ARGUMENTUM h × W1 × W2 × W3 × T | Altitudo H | Lengh L | Rotam picem P | Una rotam loading (KG) | Rollerus Material |
| W-45uw | XLV × XVI x VIII × XXII | M8 × 65L | 46.3 × LX × XXXIII × LXXXVII × 1.6 2.3 | 56.8 | MDCCC MMCD · MMM | L LXXV · C · CL | 25 | Abs |
Cur Rollerus Conveyor Sustentationem Directe Impacts Ratio Lifespan TRADUCTOR Rollerus systemata recentiorum ma...
Read MoreWhat makes a Roller Conveyor Vere Gravis-Duty? TRADUCTOR gravis officiorum cylindrus non per venditiones mercaturae defi...
Read MoreWhat Are Roller Conveyors and Why Does the Type Matter? cylindro conveyors systemata tractantia materialia sunt...
Read MoreCur Rollerus Conveyors spinam Materiae tractantem manete cylindro conveyors meliorem efficientiam in modernis s...
Read MoreConveyor systemata decies centena millia talentorum materialium quotidie per officinas, horrea, fodienda loca, et dis...
Read MoreEt cum opus futurum.
No.60, Zhenhu via, Hudai oppidum, Binhu District, Wuxi (CCXIV) C, Sina







