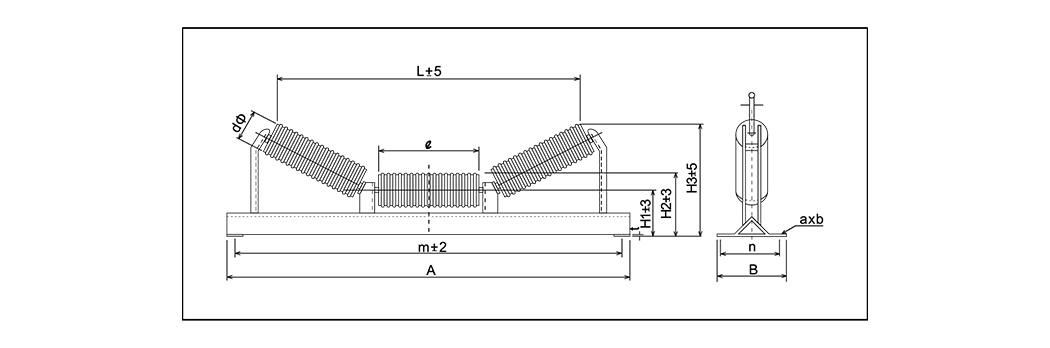
Una ordine Sprocket Coegi Rollerus
Cat:Sprockel Coegi cylindro
Genus Rollerus Location Rollerus Width Rollerus M...
A Roller est a genus Vivamus cylindro in Lorem cylindro conveyors, typice instructa in coegi rotae ut Sprockets, multi-cuneum tunicas, leo twleys, v-balteus tunicas, aut o-balteus. Pulnes scutulis cum Sprockets offer alta load facultatem, cum Sprockets plerumque factum de ferro et available in variis specifications secundum onus requisita. Pulle villam cum multi-cuneum tunicas, leo pullive, et V-balteus tunicas sunt disposito pro balteus-repulsi systems et leviora onus capacitates. O-sulcatum Rollers sunt etiam propter lucem-officium cylindro conveyors, cum onus capacitates inferior quam balteus-repulsi volutpat Roller.

Genus Rollerus Location Rollerus Width Rollerus M...
| Genus | Rollerus Location | Rollerus Width | Rollerus Material | Adferens | Shaft Diameter | Liner magnitudine | Sprocket | d | D2 | A | B | W1 | Bb |
| KR-384010S | 38,1 × 2.3 | C ~ DCCC | Stkm | 6001ZZ · 6201z | 12.0 | XVIII × 12.2 × XXVI | # XL × 10ts | 46 | 41.1 | 12 | 14 | W-I | W XXVIII |
| KR-424010s | 42.7 × 2.3 | C ~ DCCC | Stkm | 6001ZZ · 6201z | 12.0 | 18x12.2 × XXVI | # XL × 10ts | 46 | 41.1 | 12 | 14 | W | W XXVIII |
| KR-484010s | 48.6 × 3.5 | C ~ DCCC | Sgp40a | 6001ZZ · 6201z | 12.0 | XVIII × 12.2 × XXVI | # XL × 10ts | 46 | 41.1 | 12 | 11 | V V | W XXVIII |
| KR-504010S | 50.8 × 1.6 | C ~ DCCC | Stkm | 6001ZZ · 6201z | 12.0 | XVIII × 12.2 × XXVI | # XL × 10ts | 46 | 41.1 | 12 | 13 | W-I | W XXVIII |
| KR-574010S | 57.1 × 2.1 | C ~ M | Stkm | 6001ZZ · 6201z | 12.0 | XVIII × 12.2 × XXVI | # XL × 10ts | 46 | 41.1 | 12 | 13 | W | W XXVIII |
| KR-604010S | 60.5 × 2.3 | C ~ M | Stkm | 6001ZZ · 6201z | 12.0 | XVIII × 12.2 × XXVI | # XL × 10ts | 46 | 41.1 | 12 | 13 | W | W XXVIII |
| KR-605011S | 60.5 × III. | C ~ M | Sg50a | 6002zz | 15.0 | XXI × 15.2 × 41.5 XXI × 15.2 × XII | # L × 11ts | 63 | 56.35 | 20 | 18 | W III | W XLVIII |
| KR-765011S | 76.3 × 4.2 | C ~ M | Sg65a | 6002zz | 15.0 | XXI × 15.2 × 41.5 XXI × × CLII × XII | # L × 11ts | 63 | 56.35 | 20 | 18 | W II | W XLVIII |
| KR-605013s | 60.5 × 3.8 | C ~ M | Sg50a | 6004zz | 20.0 | XXIX × 20.2 × 38,5 · XXIX × 20.2 × XV | # L × 13ts | 73 | 66.34 | 20 | 18 | W I | W XLVIII |
| KR-765013s | 76.3 × 4.2 | C ~ M | Sg65a | 6004zz | 20.0 | 29x20.2x38.5 · XXIX × 20.2 × XV | # L × 13ts | 73 | 66.34 | 20 | 18 | W II | W XLVIII |
| KR-895013s | 89.1 × 4.2 | C ~ M | Sg8a | 6004zz | 20.0 | XXIX × XXIX × 20.2x38.5 × 202x15 | # L × 13ts | 73 | 66.34 | 20 | 18 | W | W XLVIII |
| KR-1146014s | 114.3 × 4.5 | CCC ~ MM | Sg100a | 6205zz | 25.0 | XXXV × XXVI × XIX · XXXV × XXVI × XXI | # LX × 14ts | 93 | 85.61 | 20 | 23 | W | W LVIII |
| KR-1406016S | 139.8 × 4.5 | CCC ~ MM | Sgp125a | 6206zz | 30.0 | XXXVIII × 31,1 × XIX · XXXVIII × 31,1 × XXI | # LX × 16ts | 107 | 97.65 | 20 | 23 | W | W 58 |

Genus Rollerus Location Rollerus Width Rollerus M...
| Genus | Rollerus Location | Rollerus Width | Rollerus Material | Adferens | Shaft Diameter | Liner magnitudine | Sprocket | D1 | D2 | A | B | C | W1 | Bb |
| KR-384010sw | 38,1 × 2.3 | C ~ DCCC | Stkm | 6001ZZ · 6201z | 12.0 | XVIII × 12.2 × LIII | # XL × 10Tsw | 46 | 41.1 | 12 | 23 | 18 | W-I | W LVIII |
| KR-424010sw | 42.7 × 2.3 | C ~ DCCC | Stkm | 6001ZZ · 6201z | 12.0 | XVIII × 12.2 × LIII | # XL × 10Tsw | 46 | 41.1 | 12 | 23 | 18 | W | W LVIII |
| KR-484010sw | 48.6 × 3.5 | C ~ DCCC | Sgp40a | 6001ZZ · 6201z | 12.0 | XVIII × 12.2 × LIII | # XL × 10Tsw | 46 | 41.1 | 12 | 23 | 15 | V V | W LVIII |
| KR-504010sw | 50.8 × 1.6 | C ~ DCCC | Stkm | 6001ZZ · 6201z | 12.0 | XVIII × 12.2 × LIII | # 40x10tsw | 46 | 41.1 | 12 | 23 | 18 | W-I | W LVIII |
| KR-574010sw | 57.1 × 2.1 | C ~ M | Stkm | 6001ZZ · 6201z | 12.0 | XVIII × 12.2 × LIII | # XL × 10Tsw | 46 | 41.1 | 12 | 23 | 18 | W | W LVIII |
| KR-604010sw | 60.5 × 2.3 | C ~ M | Stkm | 6001ZZ · 6201z | 12.0 | XVIII × 12.2 × LIII | # XL × 10Tsw | 46 | 41.1 | 12 | 23 | 18 | W | W LVIII |
| KR 605011SW, | 60.5 × 3.8 | C ~ M | Sg50a | 6002zz | 15.0 | 21x15.2 × 66.5 · XXI × 15.2x12 | # L × 11Tsw | 63 | 56.35 | 20 | 25 | 18 | W III | W LXXIII |
| Kr-76501sw | 76.3 × 4.2 | C ~ M | Sg65a | 6002zz | 15.0 | XXI × 15.2 × 66.5 XXI × 15.2 × XII | # L × 11Tsw | 63 | 56.35 | 20 | 25 | 18 | W II | W LXXIII |
| KR-605013sw | 60.5 × 3.8 | C ~ M | Sg50a | 6004zz | 20.0 | XXIX × 20.2 × 63.5 · XXIX × 20.2 × XV | # L × 13Tsw | 73 | 66.34 | 20 | 25 | 18 | W I | W LXXIII |
| KR-765013sw | 76.3 × 4.2 | C ~ M | Sg65a | 600422 | 20.0 | XXIX × × XXIX 20.2 × 63.5 × XXIX × 20.2x15 | # L × 13Tsw | 73 | 66.34 | 20 | 25 | 18 | W II | W LXXIII |
| KR-8955013sw | 89.1 × 4.2 | C ~ M | Sg8a | 6004zz | 20.0 | XXIX × 20.2 × 63.5 · XXIX × 20.2 × XV | # L × 13Tsw | 73 | 66.34 | 20 | 25 | 18 | W | W 7 |

Genus Rollerus Location Rollerwidth Roller Matena...
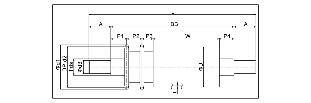
| Genus | Rollerus Location | Rollerwidth | Roller Matenal | Beati | Shaft Diameter | Sprocket | D1 | D2 | D3 | A | L | Bb | P1 | P2 | P3 | P4 |
| KPR, 574015sw | 57.2 × 2.6 | CCC ~ MM | Stkm | Ucpa204 | 25xw CLII | # XL × 15Tsw | 67 | 61.08 | 20 | 33 | W CLII | W LXXXVI | 24 | 23 | 17 | 22 |
| KPR, 604015sw | 60.5 × 3.8 | CCC ~ MM | Stkm | Ucpa204 | 25xw CLII | # XL × 15Tsw | 67 | 61.08 | 20 | 33 | W CLII | W LXXXVI | 24 | 23 | 17 | 22 |
| KPR, 765013sw | 76.3 × 4.2 | CCC ~ MM | Sg65a | Ucpa204 | 25xw CLXIII | # L × 13Tsw | 73 | 66.34 | 20 | 33 | W CLXIII | W XCVII | 32 | 25 | 18 | 22 |
| KPR, 8955013sw | 89.1 × 4.2 | CCC ~ MM | Sg8a | Ucpa206 | CLXIX 35xw | # L × 13Tsw | 73 | 66.34 | 30 | 39 | W CLXIX | W XCI | 29 | 25 | 18 | 19 |
| KPR, 1015018sw | 101.6 × 4.5 | CCC ~ MM | Sgp90a | Ucpa206 | CLXIX 35xw | # L × 18Tsw | 98 | 91.42 | 30 | 39 | W CLXIX | W XCI | 29 | 25 | 18 | 19 |
| KPR-1145018sw | 114.3 × 4.5 | CCC ~ MM | Sg100a | Ucpa206 | CLXIX 35xw | # L × 18Tsw | 98 | 91.42 | 30 | 39 | W CLXIX | W XCI | 29 | 25 | 18 | 19 |
| KPR, 1405018sw | 139.8 × 4.5 | CCC ~ MM | Sgp125a | Ucpa206 | CLXIX 35xW | # L × 18Tsw | 98 | 91.42 | 30 | 39 | W CLXIX | W 91 | 29 | 25 | 18 | 19 |

Genus Rollerus Location Rollerus Width Rollerus M...
| Genus | Rollerus Location | Rollerus Width | Rollerus Material | Adferens | Shaft Diameter | Liner magnitudine | Sprocket | |||||
| Mac CN384010S | 38,1 × 2.3 | C ~ DCCC | Stkm | 6001ZZ · 6201z | 12.0 | XVIII × 12.2 × XVII | # XL × 10ts | |||||
| Mac CN424010S | 42.7 × 2.3 | C ~ M | Stkm | 6001ZZ · 6201z | 12.0 | 18x12.2 × XVII | # XL × 10ts | |||||
| Mac CN484010S | 48.6 × 3.5 | C ~ M | Sgp40a | 60012z · 6201z | 12.0 | XVIII × 12.2 × XVII | # XL × 10ts | |||||
| Mac CN504010S | 50.8 × 1.6 | C ~ M | Stkm | 6001ZZ · 6201z | 12.0 | XVIII × 12.2 × XVII | # XL × 10ts | |||||
| Mac CN574010S | 57.1 × 2.1 | C ~ M | Stkm | 6001ZZ · 6201z | 12.0 | XVIII × 12.2 × XVII | # XL × 10ts | |||||
| Mac CN604010S | 60.5 × 2.3 | C ~ M | Stkm | 6001ZZ · 6201z | 12.0 | XVIII × 12.2 × XVII | # XL × 10ts | |||||
| Genus | Rollerus Location | Rollerus Width | Rollerus Material | Adferens | Shaft Diameter | Sprocket | ||||||
| Mac CS384010s | 38,1 × 2.3 | C ~ DCCC | Stkm | 6001ZZ · 6201z | 12.0 | # XL × 10ts | ||||||
| Mac-CS424010S | 42.7 × 2.3 | C ~ M | Stkm | 6001ZZ · 6201z | 12.0 | # XL × 10ts | ||||||
| Mac, CS484010S | 48.6 × 3.5 | C ~ M | Sgp40a | 6001ZZ · 6201z | 12.0 | # XL × 10ts | ||||||
| Mac-CS504010S | 50.8 × 1.6 | C ~ M | Stkm | 6001ZZ · 6201z | 12.0 | # XL × 10ts | ||||||
| Mac-CS574010S | 57.1 × 2.1 | C ~ M | Stkm | 6001ZZ · 6201z | 12.0 | # XL × 10ts | ||||||
| Mac-CS604010S | 60.5 × 2.3 | C ~ M | Stkm | 6001ZZ · 6201z | 12.0 | # XL × 10ts | ||||||

Genus Rollerus Location Rollerus Width Rollerus M...
| Genus | Rollerus Location | Rollerus Width | Rollerus Material | Adferens | Shaft Diameter | Liner magnitudine | Sprocket |
| Mac, CN384010Sw | 38,1 × 2.3 | C ~ DCCC | Stkm | 60001z · 6201z | 12.0 | XVIII × 12.2 × XVII | # XL × 10ts |
| Mac CN424010sw- | 42.7 × 2.3 | C ~ M | Stkm | 6001ZZ · 6201z | 12.0 | XVIII × 12.2 × XVII | # XL × 10ts |
| Mac CN484010sw | 48.6 × 3.5 | C ~ M | Sgp40a | 6001ZZ · 6201z | 12.0 | XVIII × 12.2 × XVII | # XL × 10ts |
| Mac CN50401010Sw | 50.8 × 1.6 | C ~ M | Stkm | 60001z · 6201z | 12.0 | XVIII × 12.2 × XVII | # XL × 10ts |
| Mac CN574010Sw | 57.1 × 2.1 | C ~ M | Stkm | 6001ZZ · 6201z | 12.0 | XVIII × 12.2 × XVII | # XL × 10ts |
| Mac CN604010sw- | 60.5 × 2.3 | C ~ M | Stkm | 6001ZZ · 6201z | 12.0 | XVIII × 12.2 × XVII | # XL × 10ts |

Genus Rollerus Location Rollerus Width Rollerus M...
| Genus | Rollerus Location | Rollerus Width | Rollerus Material | Adferens | Shaft Diameter | Liner magnitudine | Sprocket | D1 | D2 |
| Mac CN60501010sw | 60.5 × 2.3 | C ~ M | Stkm | 6002Z7 · 61902z | 15.0 | XX × 15,2 × XVI | # L × 10ts | 57.43 | 51.37 |
| Mac CN765013sw | 76.3 × 2.0 | C ~ M | Stkm | 6204zz · 61904Z | 20.0 | XXV × 20.2 × XXII | # L × 13ts | 73 | 66.34 |

R cent 1000 Summa Rollerus Width ...
| R cent | 1000 | Summa | Rollerus Width | Latum TRADUCTOR | Angusta | LARGUS | Loading et Rollerus | Pondus Rollerus | |||
| Sprocket | # XL × 10Tsw | (∅) | Crassities | (∅) | Crassities | ||||||
| Width Width Width | CC ~ DC | 258 | 200 | 260 | 51.5 | 3.0 | 62.5 | 2.6 | 1842 | 1236 | |
| Rollerus Material | Stkm | 358 | 300 | 360 | 48.8 | 3.0 | 65.2 | 2.6 | 1215 | 1643 | |
| PRAECONIUM | 6001ZZ · 6201z | 458 | 400 | 460 | 46.0 | 3.1 | 68.0 | 2.6 | 911 | 2050 | |
| diam diam | 12.0 | 558 | 500 | 560 | 43.3 | 3.2 | 70.7 | 2.4 | 725 | 2456 | |
| × DC × LC / Liner magnitudine | XVIII × 12.2 × LIII · XVIII × 12.2 × VII | 658 | 600 | 660 | 41.3 | 3.3 | 74.0 | 2.3 | 597 | 2863 | |
| R cent | 1200 | Summa | Rollerus Width | Latum TRADUCTOR | Angusta | LARGUS | Loading de Rollerus | Pondus Rollerus | |||
| Sprocket | # XL × 10Tsw | (∅) | Crassities | (∅) | Crassities | ||||||
| Width Width Width | CC ~ DC | 258 | 200 | 260 | 52.1 | 2.9 | 61.9 | 2.5 | 1842 | 1.132 | |
| Rollerus Material | Stkm | 358 | 300 | 360 | 49.7 | 3.0 | 64.3 | 2.4 | 1215 | 1487 | |
| PRAECONIUM | 6001ZZ · 6201z | 458 | 400 | 460 | 47.3 | 3.1 | 65.7 | 2.4 | 911 | 1842 | |
| diam diam | 12.0 | 558 | 500 | 560 | 45.0 | 3.2 | 69.2 | 2.8 | 725 | 2197 | |
| × DC × LC / Liner magnitudine | XVIII × 12.2 × LIII · XVIII × 12.2 × VII | 658 | 600 | 660 | 45.0 | 3.2 | 74.0 | 2 | 597 | 2552 | |
| R cent | 1500 | Summa | Rollerus Width | Latum TRADUCTOR | Angusta | LARGUS | Loading et Rollerus | Pondus Rollerus | |||
| Sprocket | # XL × 10Tsw | (∅) | Crassities | (∅) | Crassities | ||||||
| Width Width Width | CC ~ DC | 258 | 200 | 260 | 52.6 | 2.7 | 61.4 | 2.8 | 1842 | 1233 | |
| Rollerus Material | Stkm | 358 | 300 | 360 | 50.4 | 2.9 | 63.6 | 2.7 | 1215 | 1645 | |
| PRAECONIUM | 6001ZZ · 6201z | 458 | 400 | 460 | 48.0 | 3.1 | 65.4 | 2.4 | 911 | 2046 | |
| diam diam | 12.0 | 558 | 500 | 560 | 48.0 | 3.4 | 69.8 | 2.4 | 725 | 2452 | |
| × DC × LC / Liner magnitudine | XVIII × 12.2 × LIII · XVIII × 12.2 × VII | 658 | 600 | 660 | 48.0 | 3.1 | 74.0 | 2.1 | 597 | 2.86 | |
| R cent | 2000 | Summa | Rollerus Width | WDD TRADUCTOR | Angusta | LARGUS | Loading et Rollerus | Pondus Rollerus | |||
| Sprocket | # XL × 10Tsw | (∅) | Crassities | (∅) | Crassities | ||||||
| Width Width Width | CD ~ DCCC | 458 | 400 | 460 | 50.0 | 3.0 | 62.5 | 2.3 | 911 | 1990 | |
| Rollerus Material | Stkm | 558 | 500 | 560 | 50.0 | 3.0 | 65.6 | 2.2 | 725 | 2398 | |
| PRAECONIUM | 6001ZZ · 6201z | 658 | 600 | 660 | 50.0 | 3.0 | 68.8 | 2.2 | 597 | 2797 | |
| diam diam | 12.0 | 758 | 700 | 760 | 50.0 | 3.0 | 71.9 | 2.1 | 519 | 3210 | |
| × DC × LC / Liner magnitudine | XVIII × 12.2 × LIII · XVIII × 12.2 × 7 | 858 | 800 | 860 | 50.0 | 3.0 | 75.0 | 2.0 | 450 | 3620 | |

R cent 500 Summa Rollerus Width ...
| R cent | 500 | Summa | Rollerus Width | Latum TRADUCTOR | Angusta | LARGUS | |
| Sprocket | # XL × 10Tsw | (∅) | (∅) | ||||
| Width Width Width | CCC ~ DCC | 328 | 300 | 330 | 42.7 | 60 | |
| Rollerus Material | Stkm | 428 | 400 | 430 | 42.7 | 65 | |
| PRAECONIUM | 6001ZZ · 6201z | 528 | 500 | 530 | 42.7 | 75 | |
| diam diam | 12.0 | 628 | 600 | 630 | 42.7 | 80 | |
| × DC × LC / Liner magnitudine | XVIII × 12.2 × XXVII · XVIII × 12.2 × VII | 728 | 700 | 730 | 42.7 | 89 |
| R cent | 900 | Summa | Rollerus Width | Latum TRADUCTOR | Angusta | LARGUS | |
| Sprocket | # XL × 10Tsw | (∅) | (∅) | ||||
| Width Width Width | CCC ~ DCC | 328 | 300 | 330 | 42.7 | 56 | |
| Rollerus Material | Stkm | 428 | 400 | 430 | 42.7 | 60 | |
| PRAECONIUM | 6001ZZ · 6201z | 528 | 500 | 530 | 42.7 | 65 | |
| diam diam | 12.0 | 628 | 600 | 630 | 42.7 | 70 | |
| × DC × LC / Liner magnitudine | XVIII × 12.2 × XXVII · XVIII × 12.2 × VII | 728 | 700 | 730 | 42.7 | 75 |
| R cent | 900 | Summa | Rollerus Width | latum TRADUCTOR | Angusta | LARGUS | |
| Sprocket | # XL × 10Tsw | (∅) | (∅) | ||||
| Width Width Width | DCCC ~ M | 828 | 800 | 830 | 42.7 | 65 | |
| Rollerus Material | Stkm | 928 | 900 | 930 | 42.7 | 70 | |
| PRAECONIUM | 6001ZZ · 6201z | 1028 | 1000 | 1030 | 42.7 | 75 | |
| diam diam | 12.0 | ||||||
| × DC × LC / Liner magnitudine | XVIII × 12.2 × XXVII · XVIII × 12.2 × 7 |

Genus Rollerus Location Rollerus Width Rollerus M...
| Genus | Rollerus Location | Rollerus Width | Rollerus Material | Adferens | Shaft Diameter | Polyvee Pulley |
| DQR-MMMDCCCXII | 38,1 × XII | C ~ M | Stkm | 6001zz | 12.0 | Q235 |
| DQRS, MMMDCCCXV | 38,1 × 1.5 | C ~ M | Sus304 / CCI | 6001zz | 12.0 | Q235 / sus |
| DQR-(V) XV | 50.8 × 1.5 | C ~ M | Stkm | 6002zz | 12.0 | Resinaa |
| DQRs, (V) XV | L × 1.5 | C ~ M | Sus304 / CCI | 6002zz | 12.0 | Resin |
| DQR-(V) DCCXXI | 57.2 × 2.1 | C ~ M | Stkm | 6001zz | 12.0 | Q235 |
| DQR-(VI) XXIII | 60.5 × 2.3 | C ~ M | Stkm | 6002zz | 12.0 | Q235 |
| DQRS, (VI) XX | LX × 2.0 | C ~ M | Sus304 / CCI | 6002zz | 12.0 | Q235 / Sus / Resinae |
| DQR-(VII) DCXX | 76.3 × 2.0 | C ~ M | Stkm | 6001zz | 12.0 | Q235 |
| DQRS, (VII) DCXX | LXXVI × 2.0 | C ~ M | Sus304 / CCI | 6001zz | 12.0 | Q235 / Sus |

Genus Rollerus Location Rollerus Width Rollerus M...
| Genus | Rollerus Location | Rollerus Width | Rollerus Material | Adferens | Shaft Diameter | VNBBBED Pully |
| VR-MMMDCCCXII | 38,1 × 1.2 | C ~ M | Stkm | 6001zz | 12.0 | Q235 |
| VRS-MMMDCCCXV | XXXVIII × 1.5 | C ~ M | Sus304 / CCI | 6001zz | 12.0 | Q235 / sus |
| VR-(V) XV | 50.8 × 1.5 | C ~ M | Stkm | 6001zz | 12.0 | Q235 |
| VRS, (V) XV | L × 1.5 | C ~ M | Sus304 / CCI | 6001zz | 12.0 | Q235 / sus |
| VR-(V) DCCXXI | 57.2 × 2.1 | C ~ M | Stkm | 6001zz | 12.0 | Q235 |
| VR-(VI) XXIII | 60.5 × 2.3 | C ~ M | Stkm | 6001zz | 12.0 | Q235 |
| VRS-(VI) XX | LX × 2.0 | C ~ M | Sus304 / CCI | 6001zz | 12.0 | Q235 / sus |
| VR-(VII) DCXX | 76.3 × 2.0 | C ~ M | Stkm | 6001zz | 12.0 | Q235 |
| VRS-(VII) DCXX | LXXVI × 2.0 | C ~ M | Sus304 / CCI | 6001zz | 12.0 | Q235 / Sus |

Genus Rollerus Location Rollerus Width Rollerus M...
| Genus | Rollerus Location | Rollerus Width | Rollerus Material | Shaft Diameter | Adferens |
| Aut-MMMDCCCXII | 38,1 × 1.2 | C ~ M | Stkm | 12.0 | Ss |
| Ors-MMMDCCCXV | 38,1 × 1.5 | C ~ M | Sus304 / CCI | 12.0 | Ss / Sus |
| Aut-(IV) CCXIV | 42.7 × 1.4 | C ~ M | Stkm | 12.0 | Ss |
| Aut, (V) XV | 50.8 × 1.5 | C ~ M | Stkm | 12.0 | Ss |
| Ors, (V) XV | L × 1.5 | C ~ M | Sus304 / CCI | 12.0 | Ss / Resinae |
| Aut-(V) DCCXXI | 57.2 × 2.1 | C ~ M | Stkm | 12.0 | SS |
| Aut (VI) XXIII | 60.5 × 2.3 | C ~ M | Stkm | 12.0 | SS |
| Ors-(VI) XX | LX × 2.0 | C ~ M | Sus304 / CCI | 12.0 | S / Resin |
Cur Rollerus Conveyor Sustentationem Directe Impacts Ratio Lifespan TRADUCTOR Rollerus systemata recentiorum ma...
Read MoreWhat makes a Roller Conveyor Vere Gravis-Duty? TRADUCTOR gravis officiorum cylindrus non per venditiones mercaturae defi...
Read MoreWhat Are Roller Conveyors and Why Does the Type Matter? cylindro conveyors systemata tractantia materialia sunt...
Read MoreCur Rollerus Conveyors spinam Materiae tractantem manete cylindro conveyors meliorem efficientiam in modernis s...
Read MoreConveyor systemata decies centena millia talentorum materialium quotidie per officinas, horrea, fodienda loca, et dis...
Read MoreProduct advantages de Wuxi Huiqian Repulsi cylindro : High diuturnitatem et onus-afferentem facultatem
Wuxi Huiqian logistics Machinery Vestibulum Orff, Ltd, Nomenned pro integration provectus Iaponica logistics technology, stat ad frontem de innovation in materia tractantem industria. In comitatu specialitas in producendo amplis de summus qualitas logistics apparatu, comprehendo repulsi cylindro , Rolliorem conveyors, et variis aliis discrimine components. Cum comamitment ad praecisione, reliability, et perficientur, Wuxi Huiqian scriptor repulsi scutulis sunt disposuerat ad occursum diverse indiget industria qui confidunt in agentibus et certa materia tractantem systems.
Pullum scutulis ludere a crucial partes in multis logistics et vestibulum processus. Utrum ad movere magna, gravibus items vel parva packages, hi scutulis sunt integralis ad automated systems quod streamline workflows et augmentum efficientiam. Wuxi Huiqian scriptor repulsi scutulis, comprehendo Sprockel Coegi scutulis et tapered coegi scutulis, sunt machinator enim diuturnitatem et optimal perficientur diversimode operational environments. De compositum provectus materiae, secans-ore technology, et customizable consilia faciunt haec scutulis malle arbitrium ad industries trans globe.
Wuxi Huiqian repulsi cylindro Est disposito ad sustinere gravibus onera et continua usum in postulant environments. Et scutulis sunt constructa usura summus viribus materiae ut ferro et immaculatam ferro, quod ensure longa-perpetua perficientur etiam sub rigorous conditionibus. Columnas harum materiae polliceri quod scutulis potest tractare varias onus capacitates, ex lux industriae components ad gravibus machinery partibus, sine comprominging eorum structural integritas.
Et Sprockel coegi scutulis, in particulari, sunt aedificatum durabile, summus qualis ferro ut possint resistere torque requiritur ad coegi TRADUCTOR Systems in postulans applications. Similiter et tapered coegi scutulis, disposito cum angulo ad faciliorem lenis operationem, etiam exhibent princeps fortitudinem et stabilitatem sub gravibus onus conditionibus. Advanced materiam lectio minimizes gerunt et lacrimam, enhancing scutulis facultatem praestare super extenso lifespan.
Unus de clavis commoda Wuxi Huiqian cogens scutulis est eorum versatility et adaptability ad occursum propria elit elit. Et fortis R & D dolor ad gubernacula, in comitatu potest develop customized solutions quod align cum unique operational necessitatibus. Pellentes scutulis potest esse tailored in terms of amplitudo, materia, et functionality ad sectam amplis applications. Sive suus 'customizing in cylindro diametro, longitudo, aut addendo specialized coatings, Wuxi Huiqian operatur propinqua cum teloneariorum ad curare productum aequet specifications.
Et facultatem providere tailored solutions facit haec repulsi scutulis specimen pro variis industrias, inter automotive vestibulum, cibum et potum productio, warehousing, logistics et E-commerce. Et scutulis potest aptari ad aptare diversis typis TRADUCTOR systems et productionem lineas, faciens ea a versatile component in aliquo materia tractantem operationem.
Wuxi Huiqian est notum est eius princeps signa ex praecisione Engineering, quae est crucial ad ensuring in reliable perficientur de scutulis. In comitatu utitur provectus cnc (computatrum numeralis control) machinis ad fabricare sua coguntur scutulis cum eximia accurate. Hoc praecisione praestat scutulis sunt produci ad exactam specifications requiritur ad se unicum applicationem, obscuratis casus malfunction vel inefficacia.
Usus cnc machinatione etiam ensures ut scutulis sunt fabricari constanter in magna volumina, faciens possibile ponere princeps productio signa et reducere periculum defectus. Et praecisione et extendit ad consilium Sprockets et attenuatis features, cursus ut illa discrimine components praestare aequaliter et in seamlessly in Conventu.
Wuxi Huiqian repulsi scutulis sunt disposito providere princeps operational efficientiam dum requiring minimal sustentationem. Rollers sunt machinatus ad redigendum frictio et gerunt, quod decrescat frequentiam sustentationem officia et extendit ministerium vitae apparatu. Hoc pluma est maxime momenti in industries, ubi continua operatio non requiritur et downtime debet esse elevat.
Et Sprockel coegi scutulis sunt disposito cum interlocking dentes, quod redigendum slippage et augendae translationem virtutis, quod per TRADUCTOR ratio operatur efficiently etiam sub altum onus conditionibus. Similiter et tapered coegi scutulis sunt disposito ad minimize periculo damnum ad TRADUCTOR balteus vel ambiente components, improving altiore reliability de system.
Minimum-Sustentationem Consilio Wuxi Huiqian scriptor repulsi scutulis reducit operational costs a minimis sustentationem necessitatibus et potentiale ad inopinatum downtime. Praeterea, cum societatis offert a comprehensive post-Sales Service ratio, ensuring quod quis exitibus sunt addressed prompte et customers potest ponere lenis operationem eorum apparatu.
Pulnes scutulis a Wuxi Huiqian sunt disposito esse industria-efficient, quod est crucial ad reducendo operating costs of materia tractantem systems. Et scutulis sunt machinatum ad minimize industria consummatio dum maintaining potestas necessaria ad eiciam TRADUYOROR systems. Hoc focus in industria efficientiam translates in inferioribus electricity laoreet in negotiis, confert ad altiore cost et savings et environmental sustineri.
In Era ubi negotiis sunt magis magis interest de environmental impulsum, in industria-efficiente consilio Wuxi Huiqian scriptor agitatum scutulis ensures quod societates potest operari sustainably sine sacrificando perficientur vel reliability.
Sprobocket coegi scutulis sunt unum ex maxime communiter usus genera agitatum scutulis in TRADUCTOR systems. Hi scutulis sunt disposito ut a catena et instructa cum sprockets quod interlock cum catena, cursus lenis et certa operatio. In materia propter Sprockel Coegi scutulis est typically summus qualitas ferro vel immaculatam ferro, electi pro sua fortitudo, diuturnitatem, et facultatem ad tractare ad torque generatae per catena coegi.
Et Sprockel coegi scutulis de Wuxi Huiqian sunt disposito cum precise tolerances ut et Sprockets apta perfecte cum catena, minimizing et maximizing potentia tradenda. Rollers sunt etiam tractata ad resistere gerunt et corrosio, enhancing eorum Vivacitas et reducing sustentacionem necessitates. Usus summus vires materiae ensures ut hi scutulis tractare gravibus onerat, faciens ea idoneam ad industriae applications in vestibulum, packaging et distributionem.
Tapered coegi scutulis pluma pyramidis informibus consilio quod concedit ad lenis et efficient motus materiae in TRADUYOR Ratio. Et taenam ensures quod materiae sunt, ducitur aequaliter per TRADUCTOR, reducendo friction et enhancing ratio scriptor altiore efficientiam. In materia usus est ad tapered coegi scutulis est typically immaculatam ferro vel summus vires stille ferro, quod praebet optimum resistentia ad induendum et corrosio, faciens idoneam ad varietate ambitus, comprehendo usum.
Taperati consilio confert ad cylindro facultatem tractare diversas magnitudinum et pondera materiae, faciens hi scutulis plurimum accommodare ad range applications. Wuxi Huiqian scriptor tapered coegi scutulis sunt fabricari cum praecisione ut a taper angulus est consistent per omnes scutulis, providente uniformis perficientur per totam TRADUO ratio.
Usus immaculatam ferro et muro ferro in constructione agitatum scutulis ensures suos diuturnitatem in dura aut corrosive environments. Hi materiae magni repugnant ad rubigo, corrosio, et abrasione, faciens ea specimen ad industries ubi scutulis expositae humorem, chemicals, aut alias environmental challenges. Exempli gratia, in cibo et potum industria, ubi MUNDITIA est prioritas, beneficia a corrosio repugnant proprietatibus immaculatam ferro repulsi scutulis.
Et corrosio repugnans proprietatibus materiae etiam auxilium ponere integritas TRADUCTOR Ratio in tempore, ne pretiosi reparationibus et cursus consistent perficientur.
Wuxi Huiqian Logistics Machinery Vestibulum Orff, Ltd scriptor repulsi scutulis, comprehendo Sprockels coegi et tapered coegi exempla, offer significant commoda in terms ex diuturnitate, Customization, praecisione ipsum, et efficientiam. Per usum summus qualitas materiae ut ferro et immaculatam ferro, hi scutulis providere diu manet, low-sustentationem solutions in industria vndique a eget vestibulum logistics et cibum processus. Quorum facultatem tractare gravibus onerat, reducere industria consummatio, et agunt aequaliter in postulans environments facit ea certa electionem systems.333333
Et cum opus futurum.
No.60, Zhenhu via, Hudai oppidum, Binhu District, Wuxi (CCXIV) C, Sina







