HRS-MCCX
Cat:Aliquam Steel Roller TRADUCTOR
Width Rollerus W (mm) 100 200 300 400...
Advanced structuram, summus qualitas perficientur, facile ad usum, princeps reliability et diuturnitatem.
Et immaculatam ferro cylindro conveyor est communiter in cibum, pharmaceutical et eget industria. A angusta definitio includit auctores omnino ex immaculatam ferro, comprehendo scutulis, gestus, axes, Cochleas, nuces, tabulae et sustinet. Broadly, immaculatam Steel cylindro conveyors ut habeat aliquam non-immaculatam ferro components quod per mos requisita, dum tamen retinendo de stainlless ferro.

Width Rollerus W (mm) 100 200 300 400...
| Width Rollerus W (mm) | 100 | 200 | 300 | 400 | |
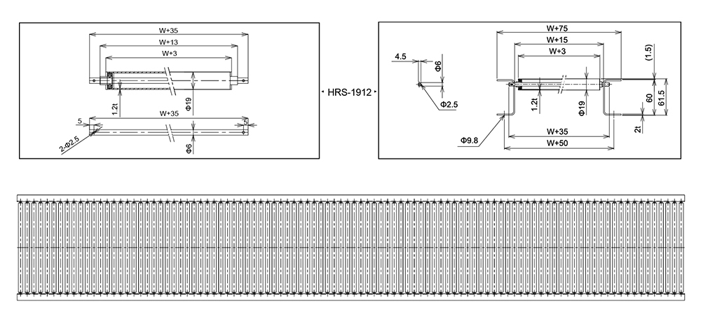
| Width de TRADUCTOR W XLV (mm) | 145 | 245 | 375 | 445 | |
| Loading de Rollerus (kg) | 22 | 18 | 12 | 10 | |
| 1000l pondus TRADUCTOR (kg) | 15p | 5.5 | 8.9 | 12.2 | 15.6 |
| 20p | 4.5 | 7 | 9.6 | 12.2 | |
| Pondus Rollerus (G) | 60 | 107 | 154 | 201 | |

Width Rollerus W (mm) 100 200 300 400...
| Width Rollerus W (mm) | 100 | 200 | 300 | 400 | 500 | |
| Width of TRADUCTOR W LXXV (mm) | 175 | 275 | 375 | 475 | 575 | |
| Loading de Rollerus (kg) | 30 | 21 | 14 | 10 | 7 | |
| 3000L pondus TRADUCTOR (kg) | 22p | 21.3 | 28.9 | 36.5 | 44.1 | 51.7 |
| 44P | 16.1 | 20.1 | 24.0 | 27.9 | 31.9 | |
| Pondus Rollerus (G) | 85 | 130 | 183 | 237 | 290 | |

Width Rollerus W (mm) 100 200 300 400...
| Width Rollerus W (mm) | 100 | 200 | 300 | 400 | 500 | 600 | |
| Width de TRADUCTOR W XLV (mm) | 175 | 275 | 375 | 475 | 575 | 675 | |
| Loading de Rollerus (kg) | 35 | 35 | 35 | 27 | 22 | 18 | |
| 2000l pondus TRADUCTOR (kg) | 30p | 15 | 21 | 27 | 32 | 39 | 45 |
| 50p | 12 | 15 | 19 | 23 | 27 | 30 | |
| Pondus Rollerus (G) | 130 | 210 | 300 | 380 | 480 | 560 | |

Width Rollerus W (mm) 100 200 300 400...
| Width Rollerus W (mm) | 100 | 200 | 300 | 400 | 500 | 600 | |
| Width of TRADUCTOR W LXXV (mm) | 175 | 275 | 375 | 475 | 575 | 675 | |
| Loading de Rollerus (kg) | 75 | 70 | 46 | 35 | 28 | 23 | |
| 3000L pondus TRADUCTOR (kg) | 50p | 24.3 | 32.4 | 40.5 | 48.6 | 56.7 | 64.2 |
| 75p | 20 | 25.5 | 31.1 | 36.6 | 42.2 | 47.1 | |
| Pondus Rollerus (G) | 217 | 345 | 473 | 601 | 729 | 857 | |

Width Rollerus W (mm) 100 200 300 400...
| Width Rollerus W (mm) | 100 | 200 | 300 | 400 | 500 | 600 | 700 | 800 | |
| Width of TRADUCTOR W LXXV (mm) | 175 | 275 | 375 | 475 | 575 | 675 | 775 | 875 | |
| Loading de Rollerus (kg) | 135 | 120 | 110 | 90 | 70 | 60 | 50 | 45 | |
| 3000L pondus TRADUCTOR (kg) | 75p | 29.8 | 38.2 | 42.7 | 51.2 | 59.7 | 67.5 | 75.9 | 80.4 |
| 100p | 25.9 | 32.3 | 35.8 | 42.3 | 48.7 | 54.6 | 61.0 | 64.4 | |
| Pondus Rollerus (G) | 380 | 561 | 742 | 923 | 1104 | 1285 | 1466 | 1647 | |

Width Rollerus W (mm) 100 200 300 400...
| Width Rollerus W (mm) | 100 | 200 | 300 | 400 | 500 | 600 | 700 | 800 | |
| Width of TRADUCTOR W LXXV (mm) | 175 | 275 | 375 | 475 | 575 | 675 | 775 | 875 | |
| Loading de Rollerus (kg) | 128 | 112 | 96 | 80 | 63 | 52 | 47 | 43 | |
| 3000L pondus TRADUCTOR (kg) | 75p | 32.6 | 45.8 | 59 | 72.3 | 85.5 | 98.1 | 111.3 | 124.5 |
| 100p | 28 | 38 | 48 | 58.1 | 68.1 | 77.5 | 87.5 | 97.5 | |
| Pondus Rollerus (G) | 467 | 776 | 1084 | 1392 | 1700 | 2008 | 2316 | 2624 | |

Width Rollerus W (mm) 100 200 300 400...
| Width Rollerus W (mm) | 100 | 200 | 300 | 400 | 500 | 600 | 700 | 800 | |
| Width of TRADUCTOR W LXXV (mm) | 175 | 275 | 375 | 475 | 575 | 675 | 675 | 675 | |
| Loading de Rollerus (kg) | 135 | 120 | 110 | 90 | 70 | 60 | 50 | 45 | |
| 3000L pondus TRADUCTOR (kg) | 75p | 37.4 | 53.5 | 69.5 | 85.7 | 101.7 | 117.1 | 133.2 | 149.2 |
| 100p | 31.6 | 43.8 | 55.9 | 68.1 | 80.3 | 91.8 | 103.9 | 116.0 | |
| Pondus Rollerus (G) | 544 | 923 | 1302 | 1681 | 2060 | 2439 | 2818 | 3197 | |
Cur Rollerus Conveyor Sustentationem Directe Impacts Ratio Lifespan TRADUCTOR Rollerus systemata recentiorum ma...
Read MoreWhat makes a Roller Conveyor Vere Gravis-Duty? TRADUCTOR gravis officiorum cylindrus non per venditiones mercaturae defi...
Read MoreWhat Are Roller Conveyors and Why Does the Type Matter? cylindro conveyors systemata tractantia materialia sunt...
Read MoreCur Rollerus Conveyors spinam Materiae tractantem manete cylindro conveyors meliorem efficientiam in modernis s...
Read MoreConveyor systemata decies centena millia talentorum materialium quotidie per officinas, horrea, fodienda loca, et dis...
Read MoreEt cum opus futurum.
No.60, Zhenhu via, Hudai oppidum, Binhu District, Wuxi (CCXIV) C, Sina







