HR-TC220
Cat:Traper Rollerus TRADUCTOR
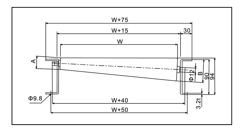
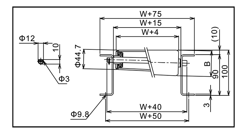
Width W (mm) 200 A (φ) Diameter ...
Advanced structuram, summus qualitas perficientur, facile ad usum, princeps reliability et diuturnitatem.
Etiam notum est curvam Rolliorem TRADUCTOR, in taper cylindro TRADUCTOR Permittit ad convertat angulos de XXX, XLV, LX, XC et CLXXX gradus. Est maxime usus ad directionem mutationes in TRADUCTOR lineas, cum XXX, XLV et LX gradus saepe propter ramosis et bus convowors. Hoc TRADUCTOR est a lightweight typus cum onus facultatem fere non excedens CC kg.
| R | Typus \ width | 200 | 300 | 400 | 500 | 600 | 700 | 800 | 900 | 1000 | 1100 | 1200 | Rollerus picem |
| 220 | HR-TC220 | ○ | - | - | - | - | - | - | - | - | - | - | 50,75,100 |
| 320 | HR-TC320 | - | ○ | - | - | - | - | - | - | - | - | - | 50,75,100 |
| 500 | HR-TC500A | - | ○ | ○ | ○ | ○ | ○ | - | - | - | - | - | 75 |
| 700 | HR-TC700 | ○ | ○ | ○ | ○ | ○ | - | - | - | - | - | - | 75,100,150 |
| 900 | HR-TCN | - | ○ | ○ | ○ | ○ | ○ | ○ | - | - | - | - | 75,100,150 |
| HR-TC900 | ○ | ○ | ○ | ○ | ○ | - | - | - | - | - | - | 75,100,150 | |
| HR-TC900A | - | ○ | ○ | ○ | ○ | ○ | ○ | - | - | - | - | 75,100 | |
| HR-TCL | - | - | - | - | - | - | - | ○ | ○ | ○ | ○ | 75,100,150,200 | |
| 1200 | HR-TC1200 | ○ | ○ | ○ | ○ | ○ | - | - | - | - | - | - | 75,100,150 |
| Hr-tc1200a | - | - | - | - | - | - | ○ | ○ | ○ | ○ | ○ | 75.100 | |
| 1600 | HR-TC1600 | - | - | ○ | ○ | ○ | ○ | ○ | - | - | - | - | 75,100,150,200 |

Width W (mm) 200 A (φ) Diameter ...
| Width W (mm) | 200 | |
| A (φ) | Diameter | 31.3 |
| Crassities | 3.5 | |
| B (φ) | Diameter | 60.5 |
| Crassities | 2.0 | |
| Loading de Rollerus (kg) | 100 | |

Width W (mm) 300 A (φ) Diameter ...
| Width W (mm) | 300 | |
| A (φ) | Diameter | 31.2 |
| Crassities | 3.6 | |
| B (φ) | Diameter | 60.5 |
| Crassities | 2.1 | |
| Loading de Rollerus (kg) | 100 | |

Width W (mm) 300 400 500 600 ...
| Width W (mm) | 300 | 400 | 500 | 600 | 700 | 800 | |
| A (φ) | Diameter | 42.7 | 42.7 | 42.7 | 42.7 | 42.7 | 42.7 |
| Crassities | 3.2 | 3.2 | 3.1 | 3.1 | 3.1 | 3.1 | |
| B (φ) | Diameter | 56.8 | 61.3 | 66.4 | 71.3 | 76.2 | 80.0 |
| Crassities | 2.1 | 2.1 | 2.1 | 2.1 | 2.0 | 2.0 | |
| Loading de Rollerus (kg) | 100 | 90 | 85 | 76 | 59 | 54 | |

Width W (mm) 900 1000 1100 1200 ...
| Width W (mm) | 900 | 1000 | 1100 | 1200 | |
| A (φ) | Diameter | 42.7 | 42.7 | 42.7 | 42.7 |
| Crassities | 3.5 | 3.8 | 4.5 | 4.5 | |
| B (φ) | Diameter | 86.7 | 91.0 | 95.3 | 100.0 |
| Crassities | 2.0 | 1.8 | 2.0 | 1.8 | |
| Loading de Rollerus (kg) | 110 | 95 | 87 | 80 | |

Width W (mm) 200 300 400 500 ...
| Width W (mm) | 200 | 300 | 400 | 500 | 600 | |
| A (φ) | Diameter | 41.3 | 41.3 | 41.3 | 41.3 | 41.3 |
| Crassities | 3.3 | 3.3 | 3.3 | 3.3 | 3.3 | |
| B (φ) | Diameter | 52.2 | 57.6 | 63.1 | 68.6 | 74.0 |
| Crassess | 2.5 | 2.4 | 2.4 | 2.3 | 2.3 | |

Width W (mm) 200 300 400 500 ...
| Width W (mm) | 200 | 300 | 400 | 500 | 600 | |
| A (φ) | Diameter | 45.0 | 45.0 | 45.0 | 45.0 | 45.0 |
| Crassities | 3.2 | 3.2 | 3.2 | 3.2 | 3.2 | |
| B (φ) | Diameter | 54.9 | 59.9 | 64.9 | 69.8 | 74.8 |
| Crassess | 2.2 | 2.2 | 2.1 | 2.1 | 2.0 | |

Width W (mm) 200 300 400 500 ...
| Width W (mm) | 200 | 300 | 400 | 500 | 600 | |
| A (φ) | Diameter | 48.0 | 48.0 | 48.0 | 48.0 | 48.0 |
| Crassities | 3.1 | 3.1 | 3.1 | 3.1 | 3.1 | |
| B (φ) | Diameter | 56.8 | 61.2 | 65.7 | 70.1 | 74.5 |
| Crassess | 2.3 | 2.3 | 2.2 | 2.2 | 2.1 | |

Width W (mm) 400 500 600 700 ...
| Width W (mm) | 400 | 500 | 600 | 700 | 800 | |
| A (φ) | Diameter | 50.0 | 50.0 | 50.0 | 50.0 | 50.0 |
| Crassities | 3.0 | 3.0 | 3.0 | 3.0 | 3.0 | |
| B (φ) | Diameter | 63.0 | 66.3 | 69.5 | 72.8 | 76.0 |
| Crassess | 2.3 | 2.2 | 2.2 | 2.1 | 2.0 | |

Width W (mm) 300 400 500 600 ...
| Width W (mm) | 300 | 400 | 500 | 600 | 700 | 800 | |
| A (φ) | Diameter | 42 | 42 | 42 | 42 | 42 | 42 |
| Crassities | 2 | 2 | 2 | 2 | 2 | 2 | |
| B (φ) | Diameter | 79 | 91 | 103 | 116 | 128 | 140 |
| Crassess | 20.5 | 26.5 | 32.5 | 39.0 | 45.0 | 51.0 | |

Width W (mm) 200 300 400 500 ...
| Width W (mm) | 200 | 300 | 400 | 500 | 600 | 700 | |
| A (φ) | Diameter | 44.7 | 44.7 | 44.7 | 44.7 | 44.7 | 44.7 |
| Crassities | 3.5 | 3.5 | 3.5 | 3.5 | 3.5 | 3.5 | |
| B (φ) | Diameter | 54.6 | 59.6 | 64.5 | 69.5 | 74.4 | 75 |
| Crassess | 2.4 | 2.3 | 2.3 | 2.2 | 2.2 | 2.2 | |

Genus Marcium Rigor Calor resistentia ...
| Genus | Marcium | Rigor | Calor resistentia | Frigus resistentia | Oleum resistentia | Gerunt resistentia | |||
| Naturalis Flexilis | NR | De LX | 120c | -50 ° ℃ | X | O | |||
| Ding Nitrile Flexilis | NRB | De LX | 130c ° | -10 ° C | O | O | |||
| Polyurethane Rubber | Pu | De XC | 80c ° | -30 ° C | O | O | |||
| Naturalis Flexilis | Ding Nitrile Flexilis | Cylindrus | Diameter * Crassitudine * axis diameter | Rollerus Width | |||||
| RR, 4812P | RRG, 4812P | R-3812P | XLVIII * V * XII | C ~ MD | |||||
| RR, (IV) DCCCXVI | RRG-(IV) DCCCXVI | R-MMMDCCCXVI | XLVIII * V * XII | C ~ MD | |||||
| RR, 6721P | RRG, 6721P | R-5721p | LXVII * V * XII | C ~ 1500 | |||||

Type Commoda PRAEVALITAS Electrica galvaniz...
| Type | Commoda | PRAEVALITAS |
| Electrica galvanized | White Zinc, hyacintho-album cadmiae, trivalent Chromium | Plus quam V microns |
| Ferreus Chrome Plantis | PRAESTITUO | Plus quam III microns |
Cur Rollerus Conveyor Sustentationem Directe Impacts Ratio Lifespan TRADUCTOR Rollerus systemata recentiorum ma...
Read MoreWhat makes a Roller Conveyor Vere Gravis-Duty? TRADUCTOR gravis officiorum cylindrus non per venditiones mercaturae defi...
Read MoreWhat Are Roller Conveyors and Why Does the Type Matter? cylindro conveyors systemata tractantia materialia sunt...
Read MoreCur Rollerus Conveyors spinam Materiae tractantem manete cylindro conveyors meliorem efficientiam in modernis s...
Read MoreConveyor systemata decies centena millia talentorum materialium quotidie per officinas, horrea, fodienda loca, et dis...
Read MoreEt cum opus futurum.
No.60, Zhenhu via, Hudai oppidum, Binhu District, Wuxi (CCXIV) C, Sina







