W-2025SUS
Cat:Sus rota TRADUCTOR
Genus D * w * d * b Hastulus ARGUMENTUM ...
Advanced structuram, summus qualitas perficientur, facile ad usum, princeps reliability et diuturnitatem.
In metallum fluens rotam TRADUCTOR est metallum materia fluens rota ecclesiam fluens bar, rotae sunt plerumque factum de stampam et secans duos processus modi, in stampam et secans duos processus modi, in stampam et steel galvanized, immaculatam ferro, Chrome et alia options. Frame materia est plerumque dividitur in, ferro galvanized, ferro imbre, aluminium, immaculatam steel.

Genus D * w * d * b Hastulus ARGUMENTUM ...
| Genus | D * w * d * b | Hastulus | ARGUMENTUM H * W1 * W2 * W3 * T | Altitudo H | Longitudo L | Rotam picem P | Una rotam loading (KG) | Type frame |
| W-2025SUS | 20x25x6.1x27 | M6x35l | 25x30x9x39x1.5 | 27 | M MD MD · · MM | XXV · XXX · XXXV | 40 | A |

Genus D * w * d * b Hastulus ARGUMENTUM ...
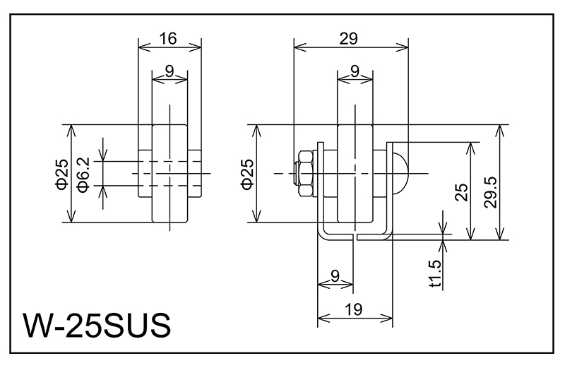
| Genus | D * w * d * b | Hastulus | ARGUMENTUM H * W1 * W2 * W3 * T | Altitudo H | Longitudo L | Rotam picem P | Una rotam loading (KG) | Type frame |
| W-25SUS | 25x9x6.2x16 | M6x25l | 25x19x9x29x1.5 | 29.5 | M MD MD · · MM | XXX · XXXV | 30 | A |

Genus D * w * d * b Hastulus ARGUMENTUM ...
| Genus | D * w * d * b | Hastulus | ARGUMENTUM H * W1 * W2 * W3 * T | Altitudo H | Longitudo L | Rotam picem P | Una rotam loading (KG) | Type frame |
| W-2523SUS | 25x23x8.2x25 | M8x35l | 25x28x9x40x1.5 | 29.5 | M MD MD · · MM | XXX · XXXV | 50 | A |

Genus D * w * d * b Hastulus ARGUMENTUM ...
| Genus | D * w * d * b | Hastulus | ARGUMENTUM H * W1 * W2 * W3 * T | Altitudo H | Longitudo L | Rotam picem P | Una rotam loading (KG) | Type frame |
| HG, W36SUS | 36x9x6.2x25 | M6x38l | 45x29x10x42x2.0 | 51 | MDCCC MMCD · MMM | L LXXV · C · CL | 40 | A |

Genus D * w * d * b Hastulus ARGUMENTUM ...
| Genus | D * w * d * b | Hastulus | ARGUMENTUM H * W1 * W2 * W3 * T | Altitudo H | Longitudo L | Rotam picem P | Una rotam loading (KG) | Type frame |
| W-36Cs-Sus | 36x9x8.2x28 | M8x40l | 42x60x32x45x2.0 | 47 | MDCCC MMCD · MMM | 50.75 · C · CL | 40 | J |

Genus D * w * d * b Hastulus ARGUMENTUM ...
| Genus | D * w * d * b | Hastulus | ARGUMENTUM H * W1 * W2 * W3 * T | Altitudo H | Longitudo L | Rotam picem P | Una rotam loading (KG) | Type frame |
| W-36BW-Sus | 36x9x8.2x14 | M8x55l | 46x60x33 × LXXI 1.5 2.0 | 52 | MDCCC MMCD · MMM | L LXXV · C · CL | 40 | K |

Genus D * w * d * b Hastulus ARGUMENTUM ...
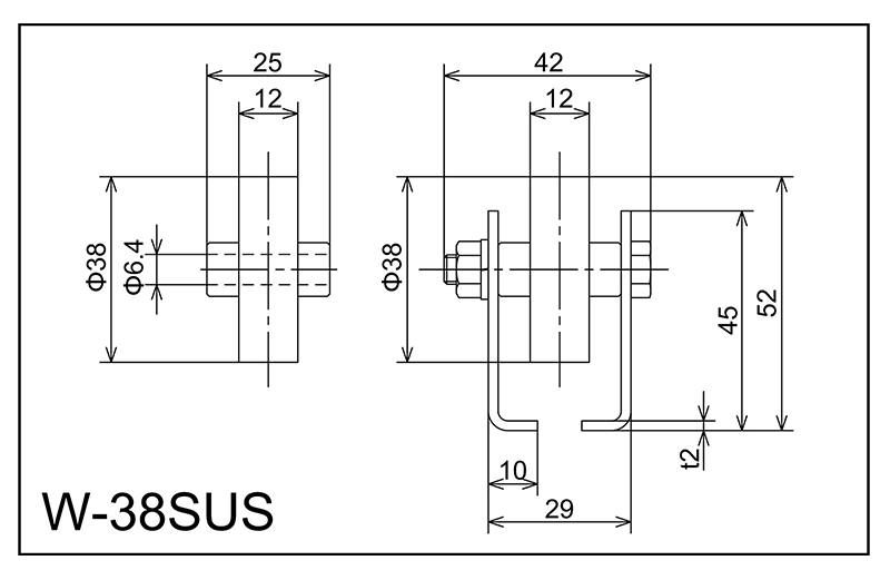
| Genus | D * w * d * b | Hastulus | ARGUMENTUM H * W1 * W2 * W3 * T | Altitudo H | Longitudo L | Rotam picem P | Una rotam loading (KG) | Type frame |
| W-38SUS | 38x12X6.4x25 | M6x38l | 45x29x10x42x2.0 | 52 | MDCCC MMCD · MMM | L LXXV · C · CL | 20 | A |

Genus D * w * d * b Hastulus ARGUMENTUM ...
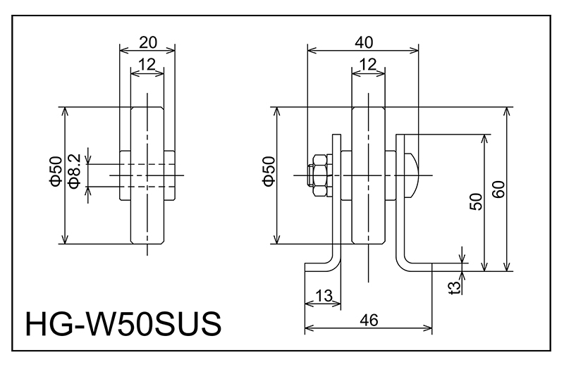
| Genus | D * w * d * b | Hastulus | ARGUMENTUM H * W1 * W2 * W3 * T | Altitudo H | Longitudo L | Rotam picem P | Una rotam loading (KG) | Type frame |
| HG, W50SUS | 50x12x8.2x20 | M8x35l | 50x46x13x40x33.0 | 60 | MDCCC MMCD · MMM | LXXV · C · CL · CC | 80 | C |

Genus D * w * d * b Loading (kg) W-38ts ...
| Genus | D * w * d * b | Loading (kg) |
| W-38ts | 38x12x6.5x25 | 20 |
| W-40SL | 40x20x6.5x26 | 20 |
| W-50ts | 49.2x15.5x8x25 | 40 |
| W-3850D | 38.1x50X12.2x63 | 130 |
| W-4850D | 48.6x50X12.2x63 | 200 |
| W-5750P | 57x50X12.2x55 | 60 |
| W-5750D | 57.2x50X12.2x63 | 200 |
| W-6050D | 60.5x50x12.2x6333330s | 200 |

Genus D * w * d * b Loading (kg) W-1225Bs ...
| Genus | D * w * d * b | Loading (kg) |
| W-1225Bs | 12x25x4.1x27 | 35 |
| W-2015BS | 20x15x6.1x17 | 30 |
| W-2025Bs | 20x25x6.2x27 | 40 |
| W-2050Bs | 20x50x6.2x52 | 50 |
| W-20100Bs | 20x100x6.2x102 | 50 |
| W, 25Bs-XIII | 25x9x6.2x13 | 30 |
| W, 25Bs | 25x9x6.2x16 | 30 |
| W-2523bs | 25x23x8.2x25 | 50 |
| W-30Bs | 30x50x10.5x55 | 160 |
| W-32BS | 32x25x8.2x28 | 90 |
| W, 36BW-VI | 36x9x6.2x14 | 40 |
| W-36BS | 36x9x6.2x25 | 40 |
| W-36BW | 36x9x8.2x14 | 40 |
| W, 36Cs | 36x9x8.2x28 | 40 |
| W-50Bs | 50x14.5x8.2x20 | 80 |
| W, 50ds-VIII | 50x14.5x8.2x32 | 100 |
| W, 50ds, X | 50x14.5x10.2x20 | 100 |
| W-50ds-XII | 50x14.5x12.2x20 | 100 |
| HW-76ds | 76.3x30x30x44 | 1000 |

Genus D * w * d * b Loading (kg) W-2015sus ...
| Genus | D * w * d * b | Loading (kg) |
| W-2015sus | 20x15x6.1x17 | 30 |
| W-2025SUS | 20x25x6.1x27 | 40 |
| W-25SUS | 25x9x6.2x16 | 30 |
| W-2523SUS | 25x23x8.2x25 | 50 |
| W-36BW-Sus | 36x9x8.2x14 | 40 |
| W-36Cs-Sus | 36x9x8.2x28 | 40 |
| HG, W36SUS | 36x9x6.2x25 | 40 |
| HG, W50SUS | 50x12x8.2x20 | 80 |

Genus D * w * d * b Loading (kg) W-2015cr ...
| Genus | D * w * d * b | Loading (kg) |
| W-2015cr | 20x15x6.2x17 | 30 |
| W-2025cr | 20x25x6.2x27 | 40 |
| W-25cr | 25x9x6.2x16 | 30 |
| W, 2523cr | 25x23x8.2x25 | 50 |
| W-32CR | 32x25x8.2x28 | 90 |
| W-36BW-C | 36x9x8.2x14 | 40 |
| W-36Cs-CR | 36x9x8.2x28 | 40 |
| W-36Bs-CR | 36x9x6.2x25 | 40 |
| W-36BS-3r | 36x9x6.2x25 | 40 |
| W-3850D-C | 38.1x50X12.2x63 | 130 |
| W-50ds-C | 50x14.5x12.2x20 | 100 |
| W-50Bs-CR | 50x14.5X8.2x20 | 80 |
Cur Rollerus Conveyor Sustentationem Directe Impacts Ratio Lifespan TRADUCTOR Rollerus systemata recentiorum ma...
Read MoreWhat makes a Roller Conveyor Vere Gravis-Duty? TRADUCTOR gravis officiorum cylindrus non per venditiones mercaturae defi...
Read MoreWhat Are Roller Conveyors and Why Does the Type Matter? cylindro conveyors systemata tractantia materialia sunt...
Read MoreCur Rollerus Conveyors spinam Materiae tractantem manete cylindro conveyors meliorem efficientiam in modernis s...
Read MoreConveyor systemata decies centena millia talentorum materialium quotidie per officinas, horrea, fodienda loca, et dis...
Read MoreEt cum opus futurum.
No.60, Zhenhu via, Hudai oppidum, Binhu District, Wuxi (CCXIV) C, Sina