Unus-via cylindro dx series
Cat:Universae pila
Posuit dextram directionem et poterit ad orientate dum plaga. Est idoneam ad usum sine CCCLX g...
Advanced structuram, summus qualitas perficientur, facile ad usum, princeps reliability et diuturnitatem.

Posuit dextram directionem et poterit ad orientate dum plaga. Est idoneam ad usum sine CCCLX g...
Posuit dextram directionem et poterit ad orientate dum plaga.
Est idoneam ad usum sine CCCLX gradus liberi gyrationis, aut cum directionem potestate est incertum, praeter ad friction coefficiens est parva sed potest consequi longum-range motus characteres.
Est maxime usus est ad lubricating superficiem et pascens fabrica de gyratorius mensa et movere de gravibus obiecta. Potest adhiberi ad plaga Piston motus et in mensa.
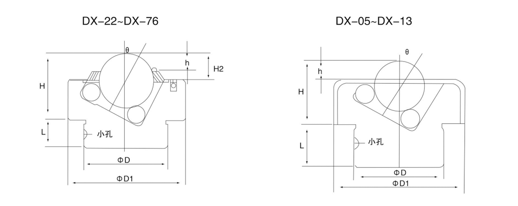
| Modus l | Numbe r | Pelagus Pila | θ θ | H | H2 | h | L | D | D1 | CENTUM | (KG) Pondus | (KG) Loading Facultas |
| DX-V | 7101 | 3/16 " | 25 | 5.38 | 1.5 | 1.0 | 5.0 | 8 | 12.2 | 2.5 | 0.005 | 30 |
| DX-VI | 7102 | 1/4 " | 25 | 7.17 | 2.5 | 1.8 | 6.0 | 12 | 16.2 | 2.6 | 0.010 | 40 |
| DX-VII | 7103 | 5/16 " | 25 | 8.97 | 2.0 | 2.0 | 8.0 | 13 | 19.2 | 2.6 | 0.020 | 50 |
| DX, VIII | 7104 | 3/8 " | 25 | 12 | 3.0 | 3.0 | 9.0 | 17 | 26.2 | 3.4 | 0.050 | 70 |
| DX-IX | 7105 | 1/2 " | 25 | 15 | 4.0 | 4.0 | 11.0 | 20 | 38.0 | 5.0 | 0.110 | 90 |

Exemplar Nonn . ...
| Exemplar Nonn . | MaTeria | (KG) L oading CapaciT y | (KG) ReTia Penso T | |
| Conmendo | Max. | |||
| NL-VIII H | PL / abs | 2 | 3 | 0.003 |
| Exemplar No. | Materia | (KG) L oading Facultas | (KG) Retia Pondus | |
| Conmendo | Max. | |||
| NP-XII | PL / PL | 5 | 10 | 0.020 |
| Exemplar No. | Materia | (KG) L oading Facultas | (KG) Retia Penso t | |
| Conmendo | Max. | |||
| NP-XV | PL / PL | 8 | 15 | 0.030 |
| Exemplar No. | Materia | (KG) Loading Facultas | (KG) Retia Pondus | |
| Conmendo | Max. | |||
| NP-XXII | PL / nl | 12 | 20 | 0.060 |
| Exemplar No. | Materia | (KG) L oading Facultas | (KG) Retia Pondus | |
| Conmendo | Max. | |||
| NP-XXV | PL / PL | 20 | 30 | 0.100 |
| Exemplar No. | Materia l | (KG) Loading Facultas | (KG) Retia Pondus | |
| Conmendo | Max . | |||
| NP-XXX | PL / abs | 30 | 40 | 0.180 |
| Exemplar No . | Materia | (KG) L oading Capaci ty | (kg ) Retia Pondus | |
| Conmendo | Max . | |||
| NL-19C | PL / P L | 10 | 15 | 0.050 |
| SS / PL | 12 | 17 | 0.060 | |
| Exemplar No. | Materia | (kg ) L oading Capacit y | (kg ) Retia Pondus | |
| Conmendo | Max . | |||
| NL-25C | PL / P L | 20 | 25 | 0.110 |
| SS / PL | 25 | 30 | 0.125 | |
| Exemplar No. | Materia | (KG) Loading Facultas | (kg ) Retia Pondus | |
| Conmendo | Max. | |||
| NL, 38C | PL / abs | 25 | 35 | 0.400 |
| SS / abs | 30 | 40 | 0.650 | |
| Exemplar No. | Materia | (KG) Loading Facultas | (kg ) Retia Pondus | |
| Conmendo | Max. | |||
| NL, 19A | PL / abs | 10 | 15 | 0.050 |
| SS / abs | 12 | 17 | 0.060 | |
| Exemplar No. | Materia | (KG) L oading Capacit y | (kg ) Retia Pondus | |
| Conmendo | Max . | |||
| Nl-25a | PL / abs | 20 | 25 | 0.110 |
| SS / abs | 25 | 30 | 0.125 | |
| Exemplar No. | Materia | (KG) L oading Capacit y | (kg ) Retia Pondus | |
| Conmendo | Max . | |||
| NL, 38a | PL / abs | 25 | 35 | 0.400 |
| SS / abs | 30 | 40 | 0.650 | |
| Exemplar No. | Materia l | (KG) L oading Facultas | (KG) Retia Pondus | |
| Conmendo | Max . | |||
| Nl-19b | PL / abs | 10 | 15 | 0.050 |
| SS / abs | 12 | 17 | 0.060 | |
| Exemplar No. | Materia l | (KG) L oading Facultas | (KG) Retia Pondus | |
| Conmendo | Max . | |||
| Nl-25b | PL / abs | 20 | 25 | 0.110 |
| SS / abs | 25 | 30 | 0.125 | |
| Exemplar | Materia l | (kg ) Loading Facultas | (KG) Retia Pondus | ||
| Conmendo | Max . | ||||
| NL-38b | PL / abs | 25 | 35 | 0.410 | |
| Exemplar No. | Materia l | (kg ) L oading Facultas | (KG) Retia Pondus | |
| Conmendo | Max . | |||
| Nl-25aa | PL / abs | 15 | 20 | 0.050 |
| Exemplar No. | Materia l | (KG) Loading Facultas | (KG) Retia Penso t | |
| Conmendo | Max . | |||
| NL-22Aa | PL / abs | 8 | 15 | 0.050 |
| Exemplar No. | Materia l | (KG) Loading Facultas | (KG) Retia Penso t | |
| Conmendo | Max . | |||
| Nl-16aa | PL / abs | 8 | 10 | 0.035 |

Model No. Id Loading Loading Pond...
| Model No. | Id | Loading | Loading | Pondus |
| FB, I | 8801 | 5kg | 8kg | 60g |
| Model No. | Id | Loading | Loading | Pondus |
| Fb-II | 8803 | 100kg | 150kg | 720g |
| Model No. | Id | Loading | Loading | Pondus |
| FB, III | 8805 | 80kg | 100kg | 1.2kg |
| Model No. | Id | Loading | Loading | Pondus |
| FB, IV | 8807 | 35kg | 40kg | 150g |
| Model No. | Id | Loading | Loading | Pondus |
| FB, V | 8809 | 250KG | 300kg | 1.7kg |
| Model No. | Id | Loading | Loading | Pondus |
| FB, VI | 8802 | 300kg | 350kg | 3.2kg |
| Model No. | Id | Loading | Loading | Pondus |
| Fb-VII | 8804 | 400kg | 500kg | 2.62kg |
| Model No. | Id | Loading | Loading | Pondus |
| Fb-VIII | 8806 | 350kg | 450kg | 2.2kg |
| Model No. | Id | Loading | Loading | Pondus |
| FB, IX | 8808 | 1500kg | 2000KG | 6.5kg |
| Model No. | Id | Loading | Loading | Pondus |
| Fb-X | 8810 | 300kg | 350kg | 6.5kg |
| Model No. | Id | Loading | Loading | Pondus |
| Fb-XI | 8811 | 100g | 150kg | 210G |
| Model No. | Id | Loading | Loading | Pondus |
| Fb-XII | 8813 | 200KG | 250K g | 480g |
| Model No. | Id | Loading | Loading | Pondus |
| FB-XIII | 8815 | 80kg | 100kg | 370g |
| Model No. | Id | Loading | Loading | Pondus |
| FB, XIV | 8817 | 10Kg | 15kg | 70g |
| Model No. | Id | Loading | Loading | Pondus |
| FB, XV | 8819 | 30kg | 40kg | 40g |
| Model No. | Id | Loading | Loading | Pondus |
| FB-XVI | 8812 | 10Kg | 12kg | 140g |
| Model No. | Id | Loading | Loading | Pondus |
| FB, XVII | 8814 | 15kg | 20KG | 90g |
| Model No. | Id | Loading | Loading | Pondus | |
| FB-XVIII | 8816 | 15kg | 20KG | 110G | |
| Model No. | Id | Loading | Loading | Pondus |
| FB, XIX | 8818 | 150kg | 200KG | 290g |
| Model No. | Id | Loading | Loading | Pondus |
| FB-XX | 8820 | 200KG | 250KG | 250g |
| Model No. | Id | Loading | Loading | Pondus |
| FB- 021 | 8821 | 250KG | 300kg | 320g |
| Model No. | Id | Loading | Loading | Pondus |
| FB-XXII | 8823 | 250KG | 300kg | 450g |
| Model No. | Id | Loading | Loading | Pondus | ||
| FB-XXII | 8825 | 200KG | 250KG | 600g | ||
| Model No. | Id | Loading | Loading | Pondus |
| FB-XXIV | 8827 | 200KG | 250KG | 1.4kg |
| Model No. | Id | Loading | Loading | Pondus |
| FB- 025 | 8829 | 250KG | 300kg | 430g |
| Model No. | Id | Loading | Loading | Pondus |
| FB- 026 | 8822 | 600kg | 800kg | 2.5kg |
| Model No. | Id | Loading | Loading | Pondus |
| FB-XXVII | 8824 | 400kg | 500kg | 1.5kg |
| Model No. | Id | Loading | Loading | Pondus |
| FB-XXX | 8826 | 400kg | 450kg | 890g |
| Model No. | Id | Loading | Loading | Pondus |
| Custom-XXIX | 8828 | 20KG | 30kg | 330KG |
| Model No. | Id | Loading | Loading | Pondus |
| consuetudo, XXX | 8830 | 1 0kg | 15kg | 110g |

Exemplar No. (K...
| Exemplar No. | (KG) loading Capacit y | ( mm ) Dimensiones | (KG) Pondus | |||||||
| Materia | Conmendo | Max . | ||||||||
| d | D | D1 | H | H1 | h2 | |||||
| Bcha7.5 | SS / SS | 2 | 3 | 4 | 9 | 7.5 | 6.1 | 1.1 | 4 | 0.005 |
| Bcha9 | SS / SS | 3 | 4 | 4.76 | 11 | 9 | 7.2 | 1.2 | 5 | 0.008 |
| Bcha11 | SS / SS | 4 | 5 | 5.56 | 13 | 11 | 8.5 | 1.5 | 6 | 0.010 |
| Bcha15 | SS / SS | 6 | 7 | 8.73 | 17 | 15 | 12.5 | 2.5 | 9 | 0.015 |
| Bcha18 | SS / SS | 8 | 10 | 10.32 | 20 | 18 | 14.5 | 3.5 | 10 | 0.030 |
| BCa24 | SS / SS | 12 | 18 | 15.87 | 26 | 24 | 20.8 | 5.3 | 14 | 0.060 |
| BCHA30 | SS / SS | 15 | 20 | 19.05 | 32 | 30 | 25.3 | 6.3 | 17 | 0.185 |

Exemplar No. (K...
| Exemplar No. | (KG) loading CapaciT y | (M) Dimensiones | ||||||||||
| Materia | Conmendo | Max . | ||||||||||
| d | D | D1 | H | H1 | h2 | t | P | a | ||||
| BCHF27 | SS / SS | 6 | 7 | 8.73 | 27 | 15 | 12 | 2.5 | 9.5 | 2 | 21 | 3.5 |
| BCHF30 | SS / SS | 8 | 10 | 10.32 | 30 | 18 | 15 | 3.5 | 11.5 | 2 | 24 | 3.5 |
| Bchf39 | SS / SS | 12 | 18 | 15.87 | 39 | 24 | 20 | 5.3 | 14.7 | 3 | 31.5 | 4.5 |
| BCHF48 | SS / SS | 15 | 20 | 19.05 | 48 | 30 | 25 | 6.3 | 18.7 | 4 | 39 | 5.5 |

Exemplar No. (K...
| Exemplar No. | (KG) loading FaculTas | (M) Dimensio s | ||||||||
| Materia | Suggerit t | Max . | ||||||||
| d | H | H1 | h2 | M | L | S | ||||
| BCHL5 | SS / SS | 2 | 3 | 4 | 12.1 | 1.1 | 5 | 5 | 6 | 8 |
| BCHL6 | SS / SS | 3 | 4 | 4.76 | 15.2 | 1.2 | 6 | 6 | 8 | 10 |
| BCHL8 | SS / SS | 4 | 5 | 5.56 | 18.5 | 1.5 | 7 | 8 | 10 | 13 |
| BCHL10 | SS / SS | 6 | 7 | 8.73 | 24.5 | 2.5 | 10 | 10 | 12 | 17 |
| BCHL12 | SS / SS | 8 | 10 | 10.32 | 29.5 | 3.5 | 11 | 12 | 15 | 19 |
| BCHL16 | SS / SS | 12 | 18 | 15.87 | 40.3 | 5.3 | 15 | 16 | 20 | 24 |
| BCHL20 | SS / SS | 15 | 20 | 19.05 | 49.3 | 6.3 | 18 | 20 | 25 | 30 |

Exemplar No. (K...
| Exemplar No. | (KG) loading Facultas | ( mm ) Dimensiones | ||||||||
| Materia | Conmendo | Max . | ||||||||
| d | D1 | H | H1 | h2 | M | L | ||||
| BCHN12 | SS / SS | 4 | 5 | 5.56 | 12 | 23 | 1.5 | 6.5 | 6 | 15 |
| Bchn16 | SS / SS | 6 | 7 | 8.73 | 16 | 27 | 2.5 | 9.5 | 6 | 15 |
| Bchn19 | SS / SS | 8 | 10 | 10.32 | 19 | 35 | 3.5 | 11.5 | 8 | 20 |
| BCHN25 | SS / SS | 12 | 18 | 15.87 | 25 | 40 | 5.3 | 14.7 | 8 | 20 |
| Bchn31 | SS / SS | 15 | 20 | 19.05 | 31 | 50 | 6.3 | 18.7 | 10 | 25 |

Exemplar No. (K...
| Exemplar No. | (KG) loading Facultas | (M) Dimensiones | (KG) Pondus | ||||||||||
| Materia | Conmendo | Max. | |||||||||||
| d | D | H | H1 | h2 | M | L | P | a | |||||
| BCHM10 | SS / SS | 6 | 7 | 8.73 | 18.5 | 24.5 | 2.5 | 10 | 10 | 12 | 15.4 | 2 | 0.060 |
| BCHM12 | SS / SS | 8 | 10 | 10.32 | 22 | 29.5 | 3.5 | 11 | 12 | 15 | 18.5 | 2 | 0.070 |
| BCHM16 | SS / SS | 12 | 18 | 15.87 | 27 | 40.3 | 5.3 | 15 | 16 | 20 | 24 | 2.5 | 0.090 |
| BCHM20 | SS / SS | 15 | 20 | 19.05 | 33 | 49.3 | 6.3 | 18 | 20 | 25 | 29.6 | 2.5 | 0.140 |

Exemplar No. (K...
| Exemplar No. | (KG) loading Facultas | (M) Dimensiones | |||||||
| Materia | Conmendo | Max. | |||||||
| d | D | H | H1 | M | S | ||||
| BCSB8 | SS / SS | 3 | 4 | 4.76 | 5 | 14 | 1.3 | 8 | 4 |
| BCSB10 | SS / SS | 3 | 4 | 4.76 | 7 | 16 | 1.2 | 10 | 5 |
| BCSB12 | SS / SS | 4 | 5 | 5.56 | 8 | 20 | 1.5 | 12 | 6 |
| BCSB16 | SS / SS | 6 | 7 | 8.73 | 12 | 25 | 2.5 | 16 | 8 |
| Bcsb20 | SS / SS | 8 | 10 | 10.32 | 15 | 30 | 3.5 | 20 | 10 |

Exemplar No. (K...
| Exemplar No. | (KG) loading facultatem | (M) Dimensiones | ||||||||
| Materia | Conmendo | Aax. | ||||||||
| d | D | D1 | H | H1 | h2 | R | ||||
| BCHP14 | SS / SS | 4 | 5 | 5.56 | 16 | 14 | 18.5 | 1.5 | 14 | 1.5 |
| BCHP18 | SS / SS | 6 | 7 | 8.73 | 20 | 18 | 23 | 2.5 | 17 | 2 |
| Bchp22 | SS / SS | 8 | 10 | 10.32 | 24 | 22 | 28.5 | 3.5 | 21.5 | 2 |
Exemplar No. (K...
| Exemplar No. | (KG) loading Facultas | (M) Dimensiones | |||||||||||||
| Materia | Conmendo | Max. | |||||||||||||
| d | D | D1 | H | H1 | h2 | M | 牙距 细牙 | L | R | p | a | ||||
| BCHPT16 | SS / SS | 4 | 5 | 5.56 | 19 | 13.5 | 18.2 | 1.5 | 14 | 16 | 1.5 | 9 | 1.2 | 15.4 | 2 |
| Bchpt20 | SS / SS | 6 | 7 | 8.73 | 24 | 16.5 | 23 | 2.5 | 17 | 20 | 1.5 | 10 | 2 | 18.5 | 2 |
| BCHPT24 | SS / SS | 8 | 10 | 10.32 | 28 | 20.5 | 28.5 | 3.5 | 21.5 | 24 | 1.5 | 12 | 2 | 24 | 2.5 |

ALAE Rack ...
|
ALAE Rack Apta thesaurizantes paucis varietate vel magna de goods.
| |
|
Cur Rollerus Conveyor Sustentationem Directe Impacts Ratio Lifespan TRADUCTOR Rollerus systemata recentiorum ma...
Read MoreWhat makes a Roller Conveyor Vere Gravis-Duty? TRADUCTOR gravis officiorum cylindrus non per venditiones mercaturae defi...
Read MoreWhat Are Roller Conveyors and Why Does the Type Matter? cylindro conveyors systemata tractantia materialia sunt...
Read MoreCur Rollerus Conveyors spinam Materiae tractantem manete cylindro conveyors meliorem efficientiam in modernis s...
Read MoreConveyor systemata decies centena millia talentorum materialium quotidie per officinas, horrea, fodienda loca, et dis...
Read MoreVtrum Wuxi Huiqian Logistics Machinery Manufacturing Co., Ltd. scriptor TRADUCTOR Suscipio plures channels tractare diversis greges ad idem?
In ieiunium, deambulavit mundi logistics et materiae pertractatio, efficientiam et adaptability sunt paramunt. Businesses requirere systems quod non solum occurrit eorum statim necessitates sed etiam offer scalability, reliability et flexibilitate ad tractamus varias genera bona et operational petit. Una huiusmodi solution est Wuxi Huiqian logistics Machinery vestibulum Co., Ltd. scriptor Innovative grabatum TRADUCTOR Systems, disposito ad streamline materia motus per diverse industrias. Sed quaestionem manet: can in grabatum tuum grabatum contortors sustinere plures channels ut tractamus diversis typis grandis eodem tempore?
Versatility in Design: Core De Efficiente Logistics
In Cordis Wuxi Huiqian scriptor productum lineup est provectus TRADUCTOR System, a metus machinatum solution, quae stat sicut testamentum ad comitatu scriptor commitment ad miscent Japanese technology cum secans-ore vestibulum elit. Hi systems aedificatur offerre unice delectability in altus-demanda environments. Sive suus 'a gravibus-officium application vel magis delicata, PRAEFUSIO Setup, ratio potest esse amet ad tractandum pallolets variis magnitudinum, weights et genera.
Verus vires Wuxi Huiqian scriptor TRADUCTOR conventus versus Systems mendacium in facultatem operari cum plures canales, cursus ut diversis typis grabatis potest esse managed concurrentes. Hoc multi-channel functionality est essentialis ad horreum, vestibulum facilities, et distribution centers, ubi operationes saepe eget in simultaneous diversas grabatum types. Utrum cum magna, molestie items vel minor, magis fragilis bona, in TRADUCTOR systems potest tailored in occursum his unica requisitis cum eximia efficientiam.
Customization occurrit praecisione
Wuxi Huiqian magna superbia in oblatione altus customizable TRADUCOR solutions. Eorum focus in modulari consilio ensures quod eorum systemata potest configurari ad sectam specifica operational necessitatibus, comprehendo simul pertractatio diversis grabatum types in diversis vicos. Hoc est maxime utilis in industrias ut automotive vestibulum, electronics et cibo distribution, ubi variationes in grabatum dimensiones et productum genera potest creare universa logistics challenges.
Ceterum, Wuxi Huiqian scriptor commitment ad qualis est underscored per usum rei publicae-of-in-es dispensando apparatu et rigorous qualis procuratio systems. Omnis pars, de scutulis ad tabulas, est ficti ad summum signa, non solum functionality sed diu term diurability. Cum integrated in vestri operationes, et TRADUCTOR systems providere a seamless fluxus materiae, eliminating bottlenecks et meliorem throughput efficientiam.
Advanced Technology Future-Promptus Solutions
Sicut princeps in logistics machinery vestibulum sector, wuxi Huiqian continuously innovates, cursus eorum TRADUCTOR systems non solum certa hodie sed sunt parati ad accommodare ad petit in crastinum in catenis. Usus provectus technologiae ut automation et realis-vicis tracking amplius enhances ad perficientur de grabatis suis grabatum conveyors, enabling negotiis ad monitor et control eorum materiam influunt cum pinpoint accurate.
Nam societates respiciens ad futuram-probationem eorum operationes, Wuxi Huiqian scriptor solutions offer an invaluable commodum. Systems potest facile integrated cum alia automation technologiae, offering scalability et adaptability quod ensures continuata efficientiam et sicut logistical postulat evolve.
Post-Sales Support et Customer-Centric Aditus
A key Discediatori enim Wuxi Huiqian est dedication ut mos satisfactio. Ultra tradens summus qualitas products, qui ponunt a significant emphasis in post-venditionesque ministerium, providing technica firmamentum et professionalem ductu per lifecycle suae systems. Hoc commitment ensures quod omne mos accipit plenam valorem ex investment, cum tailored solutions et permanentis firmamentum ad tractamus etiam maxime universa logistics requisita.
Holistic solutio ad modern logistics
In conclusione, Wuxi Huiqian Logistics Machinery Vestibulum Co., Ltd stetit sicut in confidebat socium in realm of materia tractantem, praecipue pro industrias requiring provectus, customizable, et agentibus, et agentibus TRADUCTIO systems. Quorum multi-alveo-systems, disposito ad tractandum range de grabatum types eodem tempore, repraesentant sophisticated solution occurrit postulat ex modern logistics operationes.
Si quaeris socium capax elevans vestri logistical efficientiam et tradens bespoke, scalable solutions, wuxi Huiqian scriptor grabatum TRADUCTOR systems sunt plus quam iustus a productum, sunt in investment in vestri negotium scriptor longa-term operational succession.
Et cum opus futurum.
No.60, Zhenhu via, Hudai oppidum, Binhu District, Wuxi (CCXIV) C, Sina